极速交货
30天极速交货



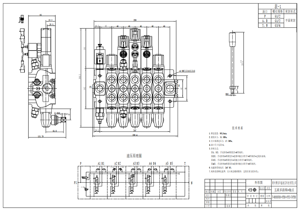
这款手动 5 通分段式方向阀是一款高性能、重型阀门,设计用于各种移动机械应用,包括物料搬运、建筑、农业和工业车辆。它具有坚固的结构、手动控制和高流量率,非常适合要求苛刻的液压系统。
| 接口尺寸 | G1/2接口,SAE 10接头 |
|---|---|
| 联数 | 1联,2联,3联,4联,5联,6联,7联,8联,9联,10联 |
| 环境温度范围 | -40°C to +80°C (-40°F to +176°F) |
| 工作粘度范围 | 12 - 400 mm²/s (12 cSt to 400 cSt) |
| 出油口 | G1/2接口,G3/4接口,SAE 10接头,3/4 NPT螺纹 |
| 最大压力 | 250 bar (3600 psi),350 bar (5100 psi) |
| 额定流量 | 90 L/min (23.8 US gpm) |
| 结构类型 | 分片阀 |
| 进油口 | G1/2接口,G3/4接口,SAE 10接头 |
这款手动 5 通分段式方向阀是移动液压系统的多功能且可靠的控制组件。其分段式设计便于定制和维护。该阀门的额定流量为 90 L/min,最大压力为 350 bar,即使在恶劣条件下也能确保高效运行。通过手动控制机构,它可以对液压功能进行直接而精确的控制。该阀门设计用于高耐用性,工作粘度范围为 12-400 mm²/s,环境温度范围为 -40°C 至 +80°C。其紧凑的尺寸和坚固的结构使其适合集成到各种液压系统中。
**应用:**
手动 5 通分段式方向阀非常适合需要精确控制液压功能的应用,包括:
* **物料搬运:**叉车、高空作业平台、堆垛机、高空作业平台
* **建筑与土方工程:**小型挖掘机、中型挖掘机、滑移装载机、紧凑型轮式装载机、轮式装载机、反铲装载机
* **农业:**拖拉机、收割机、前端装载机
* **工业车辆:**其他需要精确液压控制的应用。
**主要特点和优势:**
* 坚固的结构,适用于要求苛刻的应用
* 手动控制,实现直接而精确的操作
* 高流量率,确保高效的液压性能
* 广泛的工作粘度和温度范围,具有多功能性
* 紧凑的设计,易于集成
* 可定制的配置,满足特定应用的需求



