极速交货
30天极速交货



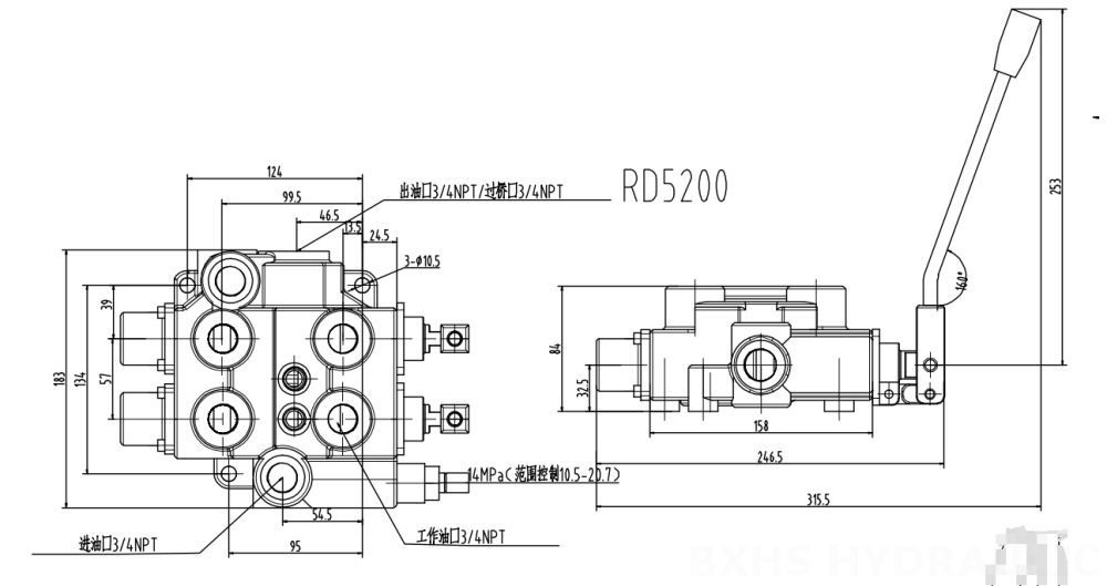
RD5200 手动双联整体式方向控制阀是一款高性能阀门,设计用于广泛的工业和移动液压应用。其额定流量为 100 升/分钟,最低粘度为 12 平方毫米/秒。该阀采用耐用材料制成,可承受严苛的工业使用条件。
| 额定流量 | 100 L/min (26.5 US gpm) |
|---|---|
| 最大压力 | 315 bar (4600 psi) |
| 进油口 | G3/4接口 |
| 出油口 | G3/4接口 |
| 接口尺寸 | G1/2接口,G3/4接口 |
| 联数 | 1联,2联,3联 |
| 结构类型 | 整体阀 |
| 环境温度范围 | -40°C to +80°C (-40°F to +176°F) |
| 工作粘度范围 | 12 - 400 mm²/s (12 cSt to 400 cSt) |
**产品特性:**
* 额定流量:100 升/分钟 (26.5 美制加仑/分钟)
* 最低粘度:12 平方毫米/秒
* 卸荷设定压力:70-140 巴
* 手动控制
* 2 联设计
* 整体式结构
**应用范围:**
RD5200 手动双联整体式方向控制阀适用于广泛的应用,包括:
* 物料搬运
* 建筑和土方工程
* 农业
* 工业车辆
**具体应用包括:**
* 伸缩臂叉车
* 叉车
* 全路面起重机
* 堆垛机
* 高空作业平台
* 平地机
* 中型挖掘机
* 小型挖掘机
* 滑移装载机
* 紧凑型轮式装载机



