极速交货
30天极速交货



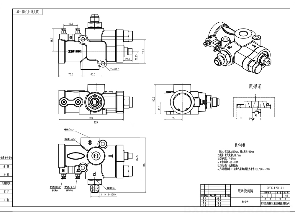
QFCK-F20L-01 是一款高性能气动整体式液压控制阀,带有一个阀联,额定流量为 150 升/分钟,最大压力为 210 巴。该坚固耐用的阀门是物料搬运、建筑、农业和工业车辆等多种应用的理想选择,可在严苛环境中确保可靠运行。
| 接口尺寸 | G3/4接口,G1接口,G1/4接口 |
|---|---|
| 联数 | 1联 |
| 工作粘度范围 | 15 - 75 mm²/s (15 cSt to 75 cSt) |
| 额定流量 | 150 L/min (39.6 US gpm) |
| 最大压力 | 210 bar (3045 psi) |
| 出油口 | G3/4接口 |
| 环境温度范围 | -40°C to +80°C (-40°F to +176°F) |
| 结构类型 | 整体阀 |
QFCK-F20L-01 气动1联液压控制阀是一款高品质、耐用的组件,专为广泛的应用而设计。其整体式结构确保了强度和可靠性,而其高流量(150 升/分钟)和压力等级(210 巴)使其适用于严苛的操作条件。该阀的气动控制机制可实现精确响应的操作,提供液压系统的准确控制。其宽广的工作温度范围(-40°C 至 +80°C)确保了在不同气候条件下的可靠性能。这使其非常适用于叉车、伸缩臂叉车、滑移装载机、紧凑型轮式装载机、拖拉机、迷你和中型挖掘机、反铲装载机、收割机和打包机等设备。该阀的紧凑设计简化了安装和与现有系统的集成。我们提供制造、OEM、自有品牌、定制和批发选项,并正在全球积极寻找分销商、批发商、代理商和贸易公司。请联系我们讨论您的具体要求,并洽谈与我们公司合作的优势。



