极速交货
30天极速交货



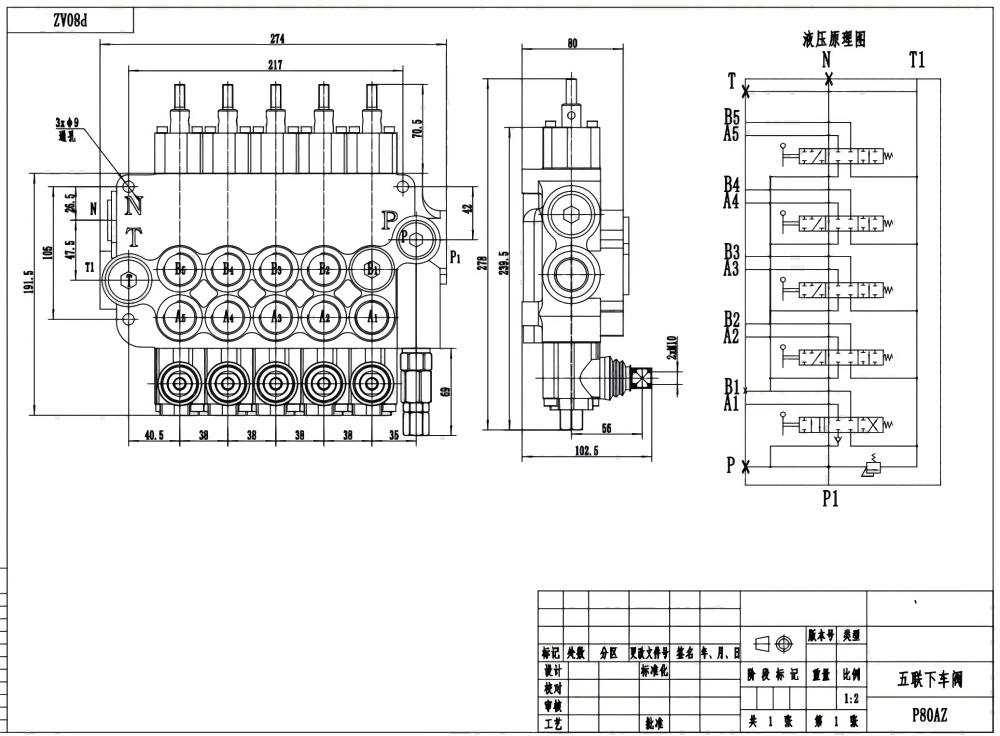
P80AZ是一款坚固的5联整体式方向阀,提供液压和手动控制。其额定流量为80升/分钟,额定压力为250巴,非常适用于物料搬运、建筑、农业和工业车辆等广泛应用。其耐用的设计和宽泛的工作温度范围确保了在严苛环境中的可靠性能。
| 额定流量 | 80 L/min (21.2 US gpm) |
|---|---|
| 最大压力 | 250 bar (3600 psi) |
| 进油口 | G3/4接口,M22×1.5螺纹,SAE 10接头,SAE 12接头,1/2 NPT螺纹,3/4 NPT螺纹 |
| 出油口 | G1/2接口,G3/4接口,M22×1.5螺纹,SAE 10接头,SAE 12接头,3/4 NPT螺纹 |
| 接口尺寸 | G1/2接口,G3/4接口,M22×1.5螺纹,SAE 10接头,SAE 12接头,3/4 NPT螺纹 |
| 联数 | 5联 |
| 结构类型 | 整体阀 |
| 环境温度范围 | -40°C to +80°C (-40°F to +176°F) |
| 工作粘度范围 | 15 - 75 mm²/s (15 cSt to 75 cSt) |
P80AZ液压和手动5联整体式方向阀是一种高性能解决方案,用于控制各种机械中的液压系统。其整体式结构提供了卓越的强度和刚性,而5联阀设计则可以精确控制多个液压功能。该阀提供液压和手动控制选项,为不同的操作需求提供灵活性。主要特点包括:
* **高流量:** 80 升/分钟 (21.2 美制加仑/分钟) 确保液压系统的高效运行。
* **高压力等级:** 250 巴 (3600 磅/平方英寸) 提供重载应用所需的强度。
* **宽工作温度范围:** -40°C 至 +80°C (-40°F 至 +176°F) 允许在各种气候和应用中使用。
* **耐用结构:** 坚固的整体式设计确保长期可靠性并耐磨损。
* **多功能控制:** 液压和手动控制选项增强了适应性并简化了维护。
* **广泛应用:** 适用于各种机器,如叉车、伸缩臂叉车、滑移装载机、紧凑型轮式装载机、小型挖掘机、拖拉机、收割机、打包机、劈木机和扫地机,涵盖物料搬运、建筑、农业和工业车辆领域。该阀的可靠性和性能使其成为OEM和终端用户的经济高效解决方案。我们提供制造、OEM服务、自有品牌、定制和批发选项。我们正在全球范围内积极寻求经销商、批发商、代理商和贸易合作伙伴。



