极速交货
30天极速交货



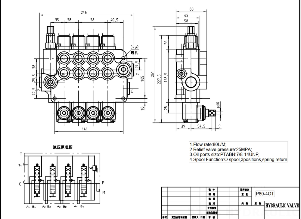
P80-U78-4OT手动4联整体式方向阀是一款液压阀,适用于各种应用,包括物料搬运、工程机械、农业机械和工业车辆。它具有80升/分钟(21.2美制加仑/分钟)的额定流量、250巴(3600磅/平方英寸)的最大压力以及15-75平方毫米/秒(15厘斯到75厘斯)的工作粘度范围。该阀采用优质材料制造,旨在提供持久的性能和可靠性。
| 接口尺寸 | G1/2接口,G3/4接口,M22×1.5螺纹,M27×2.0螺纹,SAE 10接头,1/2 NPT螺纹,3/4 NPT螺纹 |
|---|---|
| 联数 | 1联,2联,3联,4联,5联,6联,7联 |
| 环境温度范围 | -40°C to +80°C (-40°F to +176°F) |
| 工作粘度范围 | 15 - 75 mm²/s (15 cSt to 75 cSt) |
| 最大压力 | 315 bar (4600 psi) |
| 额定流量 | 80 L/min (21.2 US gpm) |
| 结构类型 | 整体阀 |
| 进油口 | G1/2接口,G3/4接口,M27×2.0螺纹,SAE 10接头,SAE 12接头,1/2 NPT螺纹,3/4 NPT螺纹 |
**产品特点与优势:**
* 80升/分钟(21.2美制加仑/分钟)的高流量,确保高效运行
* 250巴(3600磅/平方英寸)的最大压力,适用于严苛应用
* 15-75平方毫米/秒(15厘斯到75厘斯)的宽工作粘度范围,兼容各种流体
* 紧凑轻巧的设计,便于安装和维护
* 坚固耐用的结构,提供持久的性能和可靠性
**应用领域:**
P80-U78-4OT手动4联整体式方向阀适用于多种应用,包括:
* 物料搬运设备,例如叉车和伸缩臂叉车
* 工程机械和土方设备,例如挖掘机和滑移装载机
* 农业机械设备,例如拖拉机和收割机
* 工业车辆,例如扫地机和垃圾压实机



