极速交货
30天极速交货



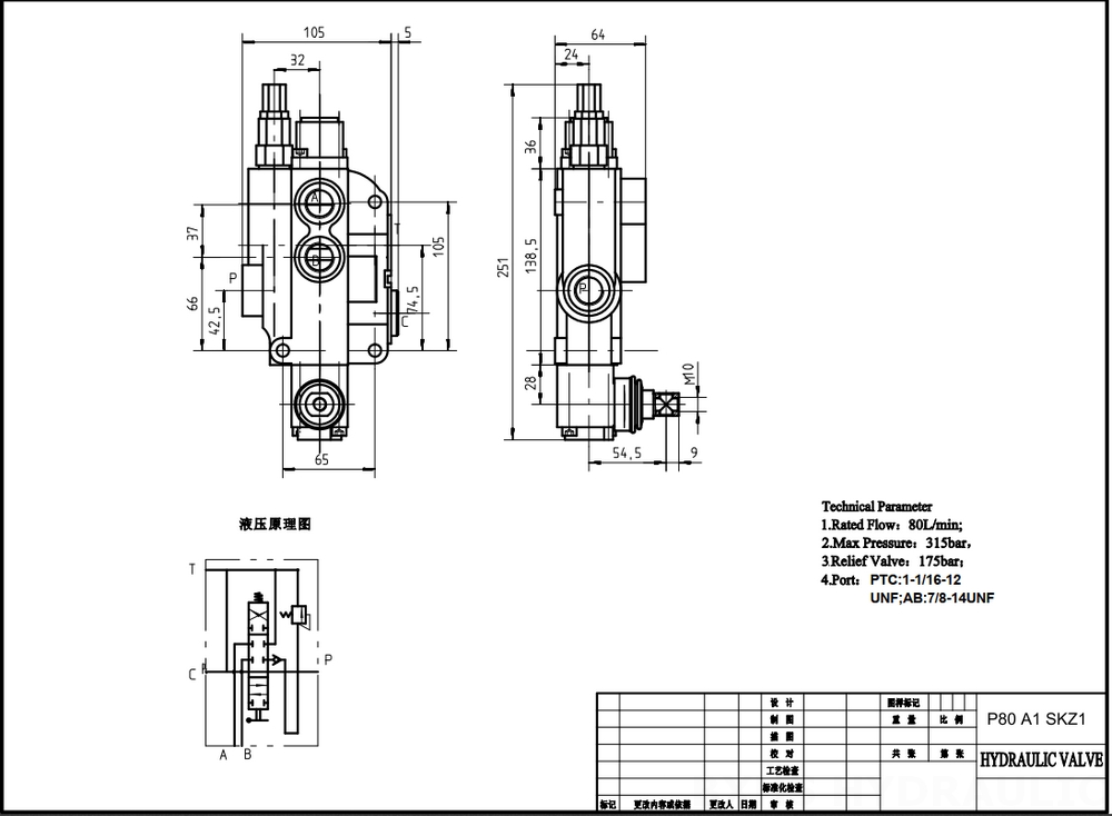
P80-U1-1/16-U7/8 手动1联整体式方向控制阀是一款高性能液压阀,专为各种工业和移动应用而设计。该阀由领先的液压产品生产商制造,采用坚固的整体式结构,确保在严苛操作条件下的耐用性和可靠性。P80-U116-U78 额定流量为 80 升/分钟,最大压力为 250 巴,适用于需要精确流量和压力控制的应用。
| 接口尺寸 | G1/2接口,G3/4接口,M22×1.5螺纹,M27×2.0螺纹,SAE 10接头,1/2 NPT螺纹,3/4 NPT螺纹 |
|---|---|
| 联数 | 1联,2联,3联,4联,5联,6联,7联 |
| 环境温度范围 | -40°C to +80°C (-40°F to +176°F) |
| 工作粘度范围 | 15 - 75 mm²/s (15 cSt to 75 cSt) |
| 最大压力 | 315 bar (4600 psi) |
| 额定流量 | 80 L/min (21.2 US gpm) |
| 结构类型 | 整体阀 |
| 进油口 | G1/2接口,G3/4接口,M27×2.0螺纹,SAE 10接头,SAE 12接头,1/2 NPT螺纹,3/4 NPT螺纹 |
**产品特点与优势:**
* 手动控制,操作精确灵敏
* 整体式结构,经久耐用,设计紧凑
* 80 升/分钟的高流量容量,确保系统高效运行
* 最大压力250 巴,适用于严苛应用
* 宽广的工作粘度范围,兼容多种液压油
* 适用于环境温度范围为 -40°C 至 +80°C 的场所
**应用领域:**
P80-U116-U78 手动1联整体式方向控制阀非常适合各种工业和移动应用,包括:
* 工程机械
* 物料搬运设备
* 农业机械
* 工业车辆
* 林业设备
* 采矿设备
* 垃圾处理设备



