极速交货
30天极速交货



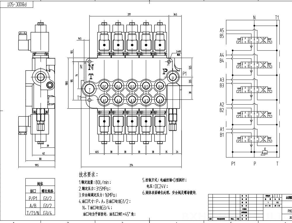
P80 电磁式5联整体式方向控制阀是一款高性能液压阀,适用于广泛的应用,包括物料搬运、建筑、农业和工业车辆。该阀的额定流量为 80 升/分钟 (21.2 美制加仑/分钟),最大压力为 250 巴 (3600 磅/平方英寸),为要求严苛的应用提供出色的流量和压力控制。该阀的5联设计可实现对多个液压回路的精确控制,使其成为复杂液压系统的理想选择。
| 接口尺寸 | G1/2接口,G3/4接口,M22×1.5螺纹,M27×2.0螺纹,SAE 10接头,1/2 NPT螺纹,3/4 NPT螺纹 |
|---|---|
| 联数 | 1联,2联,3联,4联,5联,6联,7联 |
| 环境温度范围 | -40°C to +80°C (-40°F to +176°F) |
| 工作粘度范围 | 15 - 75 mm²/s (15 cSt to 75 cSt) |
| 最大压力 | 315 bar (4600 psi) |
| 额定流量 | 80 L/min (21.2 US gpm) |
| 结构类型 | 整体阀 |
| 进油口 | G1/2接口,G3/4接口,M27×2.0螺纹,SAE 10接头,SAE 12接头,1/2 NPT螺纹,3/4 NPT螺纹 |
**产品特点和优势:**
* **高流量能力:** 额定流量 80 升/分钟 (21.2 美制加仑/分钟),实现最高效率
* **高压力能力:** 最大压力 250 巴 (3600 磅/平方英寸),适用于要求严苛的应用
* **5联设计:** 可实现对多个液压回路的精确控制
* **整体式结构:** 提供紧凑耐用的设计
* **电磁控制:** 实现可靠精确的驱动
* **宽工作温度范围:** -40°C 至 +80°C (-40°F 至 +176°F),适用于恶劣环境
**应用领域:**
P80 电磁式5联整体式方向控制阀适用于广泛的应用,包括:
* 物料搬运设备
* 建筑和土方机械
* 农业机械
* 工业车辆
* 其他需要精确控制液压回路的应用



