极速交货
30天极速交货



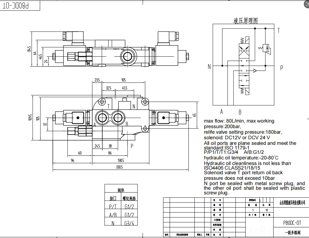
P80 电磁单联整体式方向控制阀是一款高性能液压阀,专为各行业严苛的应用而设计。它具有出色的流量容量、压力处理能力和可靠性。凭借其紧凑的整体式设计和可定制选项,该阀门是寻求高效、经济的液压解决方案的原始设备制造商和系统集成商的理想选择。
| 接口尺寸 | G1/2接口,G3/4接口,M22×1.5螺纹,M27×2.0螺纹,SAE 10接头,1/2 NPT螺纹,3/4 NPT螺纹 |
|---|---|
| 联数 | 1联,2联,3联,4联,5联,6联,7联 |
| 环境温度范围 | -40°C to +80°C (-40°F to +176°F) |
| 工作粘度范围 | 15 - 75 mm²/s (15 cSt to 75 cSt) |
| 最大压力 | 315 bar (4600 psi) |
| 额定流量 | 80 L/min (21.2 US gpm) |
| 结构类型 | 整体阀 |
| 进油口 | G1/2接口,G3/4接口,M27×2.0螺纹,SAE 10接头,SAE 12接头,1/2 NPT螺纹,3/4 NPT螺纹 |
**产品特点与优势:**
- 额定流量:80 升/分钟 (21.2 美制加仑/分钟)
- 最大压力:250 巴 (3600 磅/平方英寸)
- 工作粘度范围:15 - 75 毫米²/秒 (15 厘沲至 75 厘沲)
- 紧凑的整体式设计,节省空间,易于安装
- 电磁控制,实现精确灵敏的操作
- 提供多种阀芯选项,以满足不同的流量和压力要求
- 坚固耐用的结构和优质材料,延长使用寿命
**应用领域:**
- 移动液压系统
- 工业机械
- 工程设备
- 农业车辆
- 物料搬运设备
- 能源勘探与生产
- 林业和木材采伐
- 废物管理
**定制选项:**
- 阀芯类型和配置
- 溢流阀设置
- 电气连接器和接线
- 安装选项
**质量与认证:**
- 按照 ISO 9001:2015 标准制造
- CE认证
- 符合 RoHS 标准



