极速交货
30天极速交货



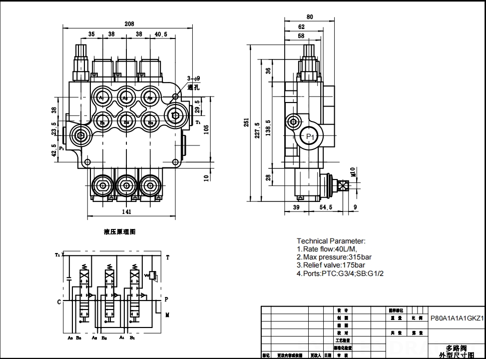
P80-G34-G12-OT手动三联整体式方向控制阀是一款高性能液压阀,专为各行业严苛的应用而设计。该阀额定流量为80升/分钟,最大压力为250巴,可为液压流体提供精确可靠的方向控制。其紧凑的整体式设计确保了耐用性和易于安装,是移动和工业液压系统的理想选择。
| 接口尺寸 | G1/2接口,G3/4接口,M22×1.5螺纹,M27×2.0螺纹,SAE 10接头,1/2 NPT螺纹,3/4 NPT螺纹 |
|---|---|
| 联数 | 1联,2联,3联,4联,5联,6联,7联 |
| 环境温度范围 | -40°C to +80°C (-40°F to +176°F) |
| 工作粘度范围 | 15 - 75 mm²/s (15 cSt to 75 cSt) |
| 最大压力 | 315 bar (4600 psi) |
| 额定流量 | 80 L/min (21.2 US gpm) |
| 结构类型 | 整体阀 |
| 进油口 | G1/2接口,G3/4接口,M27×2.0螺纹,SAE 10接头,SAE 12接头,1/2 NPT螺纹,3/4 NPT螺纹 |
**产品特点与优势:**
* 手动控制,操作精确且响应迅速
* 3联阀芯设计,流量控制灵活多变
* 整体式结构,尺寸紧凑,经久耐用
* 额定流量80升/分钟,适用于大流量应用
* 最大压力250巴,适用于重载作业
* 工作粘度范围15 - 75 毫米²/秒,兼容多种液压油
* 环境温度范围-40°C 至 +80°C,适用于极端环境
**应用领域:**
该阀适用于广泛的应用领域,包括:
* 移动液压设备:叉车、伸缩臂叉车、全地形起重机、滑移装载机、紧凑型轮式装载机
* 工业机械:机床、压力机、物料搬运设备
* 工程机械:挖掘机、平地机、高空作业平台、反铲装载机



