极速交货
30天极速交货



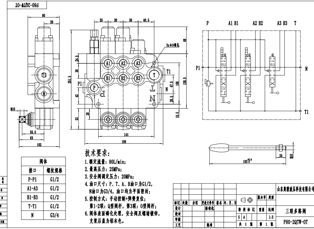
P80-G12-2QTW-OT 是一款手动3联整体式方向控制阀,专为液压系统设计。它提供 80 升/分钟的额定流量、250 巴的最大压力以及 15 - 75 mm²/s 的工作粘度范围。该阀门广泛应用于物料搬运、建筑、土方工程和农业等行业的各种应用中。
| 接口尺寸 | G1/2接口,G3/4接口,M22×1.5螺纹,M27×2.0螺纹,SAE 10接头,1/2 NPT螺纹,3/4 NPT螺纹 |
|---|---|
| 联数 | 1联,2联,3联,4联,5联,6联,7联 |
| 环境温度范围 | -40°C to +80°C (-40°F to +176°F) |
| 工作粘度范围 | 15 - 75 mm²/s (15 cSt to 75 cSt) |
| 最大压力 | 315 bar (4600 psi) |
| 额定流量 | 80 L/min (21.2 US gpm) |
| 结构类型 | 整体阀 |
| 进油口 | G1/2接口,G3/4接口,M27×2.0螺纹,SAE 10接头,SAE 12接头,1/2 NPT螺纹,3/4 NPT螺纹 |
**产品特性与优势:**
* 手动控制,操作精确
* 整体式结构,经久耐用,尺寸紧凑
* 80 升/分钟的高流量,确保系统高效运行
* 250 巴的最大压力,适用于严苛工况
* 宽泛的工作粘度范围,兼容多种液压油
* 适用于 -40°C 至 +80°C 的环境温度
**应用领域:**
P80-G12-2QTW-OT 手动方向控制阀广泛应用于移动和工业机械的液压系统中,包括:
* 物料搬运设备,如叉车、伸缩臂式装载机和起重机
* 建筑和土方机械,如挖掘机、装载机和平地机
* 农业机械,如拖拉机、收割机和打包机
* 工业车辆,如扫地车、垃圾压实机和钩臂式装卸车



