极速交货
30天极速交货



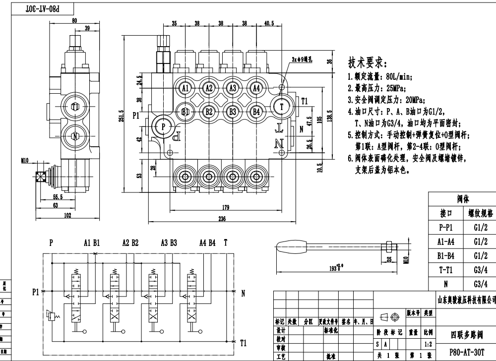
P80-G34-G12-AT-3OT手动4联整体式方向控制阀是一款高性能液压阀,专为各行业苛刻应用而设计。其额定流量为80升/分钟,最大压力250巴,可为液压系统提供可靠高效的控制。整体式设计确保了结构紧凑坚固,适用于空间受限的应用。
| 接口尺寸 | G1/2接口,G3/4接口,M22×1.5螺纹,M27×2.0螺纹,SAE 10接头,1/2 NPT螺纹,3/4 NPT螺纹 |
|---|---|
| 联数 | 1联,2联,3联,4联,5联,6联,7联 |
| 环境温度范围 | -40°C to +80°C (-40°F to +176°F) |
| 工作粘度范围 | 15 - 75 mm²/s (15 cSt to 75 cSt) |
| 最大压力 | 315 bar (4600 psi) |
| 额定流量 | 80 L/min (21.2 US gpm) |
| 结构类型 | 整体阀 |
| 进油口 | G1/2接口,G3/4接口,M27×2.0螺纹,SAE 10接头,SAE 12接头,1/2 NPT螺纹,3/4 NPT螺纹 |
**产品特性与优势:**
* 手动控制,操作精确灵敏
* 4联设计,实现多功能流量控制
* 整体式结构,紧凑耐用
* 80升/分钟高流量,确保系统高效运行
* 最大压力250巴,适用于严苛应用
* 15 - 75 毫米²/秒的宽广工作粘度范围,兼容多种液压油
* -40°C 至 +80°C的工作温度范围,在恶劣环境下表现可靠
**应用领域:**
P80-G34-G12-AT-3OT手动4联整体式方向控制阀广泛应用于各种液压系统,包括:
* 物料搬运设备
* 工程机械
* 农业机械
* 工业车辆



