极速交货
30天极速交货



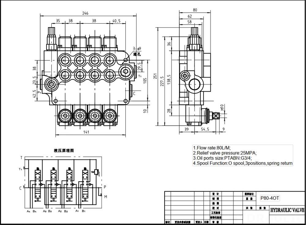
P80-G34-4OT 手动4联整体式方向控制阀专为各种应用中的精确可靠方向控制而设计。额定流量为 80 升/分钟,最大压力为 250 巴,提供卓越的性能和耐用性。
| 接口尺寸 | G1/2接口,G3/4接口,M22×1.5螺纹,M27×2.0螺纹,SAE 10接头,1/2 NPT螺纹,3/4 NPT螺纹 |
|---|---|
| 联数 | 1联,2联,3联,4联,5联,6联,7联 |
| 环境温度范围 | -40°C to +80°C (-40°F to +176°F) |
| 工作粘度范围 | 15 - 75 mm²/s (15 cSt to 75 cSt) |
| 最大压力 | 315 bar (4600 psi) |
| 额定流量 | 80 L/min (21.2 US gpm) |
| 结构类型 | 整体阀 |
| 进油口 | G1/2接口,G3/4接口,M27×2.0螺纹,SAE 10接头,SAE 12接头,1/2 NPT螺纹,3/4 NPT螺纹 |
**产品特点与优势:**
* **整体式结构:** 确保结构刚性,无泄漏运行。
* **4联设计:** 在紧凑的封装中提供多种控制功能。
* **手动控制:** 实现精确灵敏的操作。
* **宽广的工作粘度范围:** 支持多种液压油。
* **多功能应用:** 适用于建筑、农业和物料搬运等广泛行业。
**应用场景:**
* 移动机械液压回路
* 执行器和油缸的方向控制
* 各类系统中的流量和压力调节



