极速交货
30天极速交货



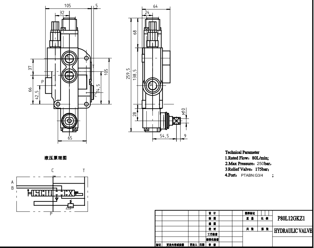
P80-G34-1OT 手动 1 联整体式方向控制阀是一款高性能液压阀,专为物料搬运、建筑、农业和工业车辆行业的各种应用而设计。它具有手动控制机构、单联阀芯设计和坚固的整体式结构。
| 接口尺寸 | G1/2接口,G3/4接口,M22×1.5螺纹,M27×2.0螺纹,SAE 10接头,1/2 NPT螺纹,3/4 NPT螺纹 |
|---|---|
| 联数 | 1联,2联,3联,4联,5联,6联,7联 |
| 环境温度范围 | -40°C to +80°C (-40°F to +176°F) |
| 工作粘度范围 | 15 - 75 mm²/s (15 cSt to 75 cSt) |
| 最大压力 | 315 bar (4600 psi) |
| 额定流量 | 80 L/min (21.2 US gpm) |
| 结构类型 | 整体阀 |
| 进油口 | G1/2接口,G3/4接口,M27×2.0螺纹,SAE 10接头,SAE 12接头,1/2 NPT螺纹,3/4 NPT螺纹 |
**产品特点和优势:**
* 手动控制,操作精确可靠
* 整体式设计确保结构完整性和耐用性
* 额定流量 80 升/分钟 (21.2 美制加仑/分钟),实现高效系统性能
* 最大压力 250 巴 (3600 磅/平方英寸),适用于高要求应用
* 工作粘度范围 15 - 75 毫米²/秒 (15 cSt 至 75 cSt),兼容各种液压油
* 宽广的环境温度范围 -40°C 至 +80°C (-40°F 至 +176°F),适用于不同环境下的操作
**应用:**
P80-G34-1OT 手动 1 联整体式方向控制阀非常适合用于各种液压系统,包括:
* 物料搬运设备(叉车、伸缩臂叉车、堆垛机)
* 建筑机械(挖掘机、装载机、起重机)
* 农业车辆(拖拉机、收割机、打包机)
* 工业车辆(扫地机、垃圾压实机、钩臂式装卸车)



