极速交货
30天极速交货



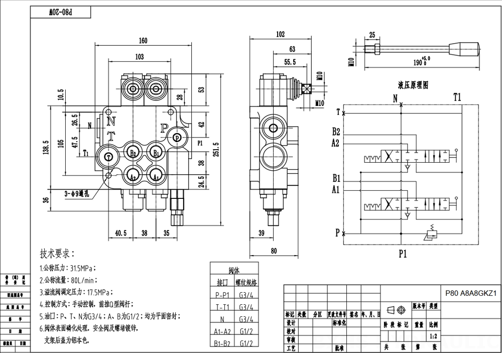
P80-G12-G34-OW 手动 2 联 整体式方向控制阀是一款高性能液压阀,专为各种工业应用而设计。该阀额定流量为 80 升/分钟,最大压力为 250 巴,可在严苛的液压系统中提供精确控制和高效运行。
| 接口尺寸 | G1/2接口,G3/4接口,M22×1.5螺纹,M27×2.0螺纹,SAE 10接头,1/2 NPT螺纹,3/4 NPT螺纹 |
|---|---|
| 联数 | 1联,2联,3联,4联,5联,6联,7联 |
| 环境温度范围 | -40°C to +80°C (-40°F to +176°F) |
| 工作粘度范围 | 15 - 75 mm²/s (15 cSt to 75 cSt) |
| 最大压力 | 315 bar (4600 psi) |
| 额定流量 | 80 L/min (21.2 US gpm) |
| 结构类型 | 整体阀 |
| 进油口 | G1/2接口,G3/4接口,M27×2.0螺纹,SAE 10接头,SAE 12接头,1/2 NPT螺纹,3/4 NPT螺纹 |
**产品特点和优势:**
* 手动控制,操作精确且响应灵敏
* 2 联设计,实现多功能流量控制
* 整体式结构,经久耐用且尺寸紧凑
* 额定流量 80 升/分钟,适用于高流量应用
* 最大压力 250 巴,适用于严苛的运行条件
* 工作粘度范围 15 - 75 毫米²/秒,兼容各种液压油
* 环境温度范围 -40°C 至 +80°C,适用于恶劣环境
**应用领域:**
* 物料搬运设备
* 建筑和土方机械
* 农业机械
* 工业车辆
* 伸缩臂叉车
* 叉车
* 全路面起重机
* 堆垛机
* 高空作业平台
* 平地机
* 中型挖掘机
* 小型挖掘机
* 滑移装载机



