极速交货
30天极速交货



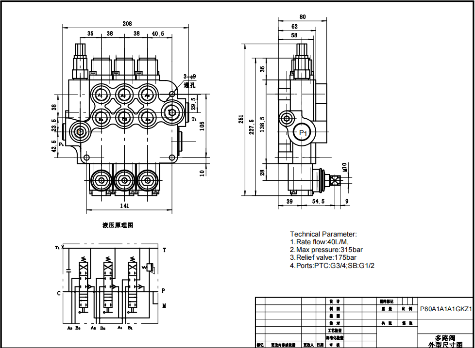
P80-G12-G34-OT 手动三联整体式方向控制阀是一种液压阀,适用于物料搬运、工程机械、农业机械和工业车辆等多种应用。它具有80升/分钟的额定流量、250巴的最大压力以及15-75平方毫米/秒的工作粘度范围。该阀采用手动控制方式和整体式结构。
| 接口尺寸 | G1/2接口,G3/4接口,M22×1.5螺纹,M27×2.0螺纹,SAE 10接头,1/2 NPT螺纹,3/4 NPT螺纹 |
|---|---|
| 联数 | 1联,2联,3联,4联,5联,6联,7联 |
| 环境温度范围 | -40°C to +80°C (-40°F to +176°F) |
| 工作粘度范围 | 15 - 75 mm²/s (15 cSt to 75 cSt) |
| 最大压力 | 315 bar (4600 psi) |
| 额定流量 | 80 L/min (21.2 US gpm) |
| 结构类型 | 整体阀 |
| 进油口 | G1/2接口,G3/4接口,M27×2.0螺纹,SAE 10接头,SAE 12接头,1/2 NPT螺纹,3/4 NPT螺纹 |
**产品特性与优势:**
* 额定流量 80 升/分钟
* 最大压力 250 巴
* 工作粘度范围 15 - 75 平方毫米/秒
* 手动控制方式
* 整体式结构类型
**应用领域:**
P80-G12-G34-OT 手动三联整体式方向控制阀可用于多种应用,包括:
* 物料搬运
* 工程机械和土方作业
* 农业机械
* 工业车辆



