极速交货
30天极速交货



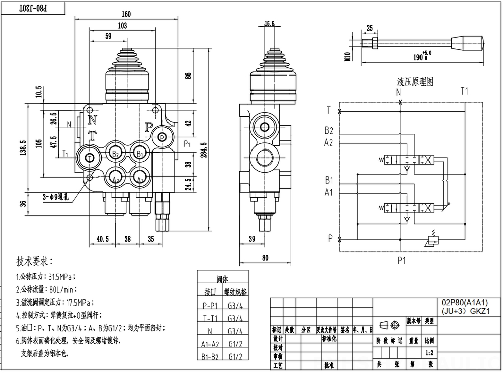
P80-G12-G34 手动和操纵杆 2联 整体式方向控制阀是一款高性能液压阀,专为物料搬运、建筑、农业和工业车辆中的各种应用而设计。它具有手动和操纵杆控制、2段整体式结构、额定流量80升/分钟、最大压力250巴以及15-75毫米²/秒的工作粘度范围。该阀适用于-40°C至+80°C(-40°F至+176°F)的温度范围。
| 接口尺寸 | G1/2接口,G3/4接口,M22×1.5螺纹,M27×2.0螺纹,SAE 10接头,1/2 NPT螺纹,3/4 NPT螺纹 |
|---|---|
| 联数 | 1联,2联,3联,4联,5联,6联,7联 |
| 环境温度范围 | -40°C to +80°C (-40°F to +176°F) |
| 工作粘度范围 | 15 - 75 mm²/s (15 cSt to 75 cSt) |
| 最大压力 | 315 bar (4600 psi) |
| 额定流量 | 80 L/min (21.2 US gpm) |
| 结构类型 | 整体阀 |
| 进油口 | G1/2接口,G3/4接口,M27×2.0螺纹,SAE 10接头,SAE 12接头,1/2 NPT螺纹,3/4 NPT螺纹 |
**产品特点和优势:**
* 手动和操纵杆控制,操作精确高效
* 2段整体式结构,结构紧凑,耐用性高
* 额定流量80升/分钟,性能卓越
* 最大压力250巴,适用于严苛应用
* 工作粘度范围15-75毫米²/秒,兼容多种液压油
* 环境温度范围-40°C至+80°C(-40°F至+176°F),适用于极端条件
* 2联设计,用途广泛,灵活性强
**应用领域:**
* 物料搬运:叉车、伸缩臂叉车、堆垛机、高空作业平台
* 建筑和土方工程:挖掘机、装载机、推土机、平地机
* 农业:拖拉机、收割机、喷雾机、捆草机
* 工业车辆:扫地车、垃圾压实机、钩臂式装卸车、拉臂式垃圾车



