极速交货
30天极速交货



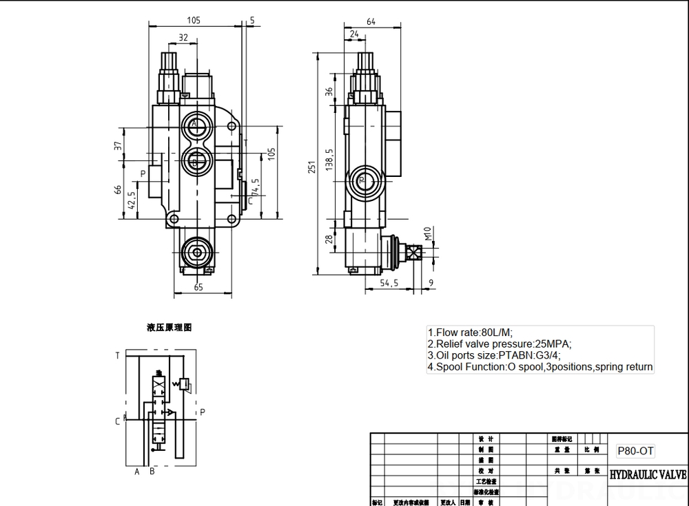
P80-G12-G34 手动单联整体式方向控制阀是一款专为严苛应用设计的高性能液压阀。凭借其80升/分钟的额定流量和250巴的最大压力,它能为液压系统提供精准可靠的流体流量控制。
| 接口尺寸 | G1/2接口,G3/4接口,M22×1.5螺纹,M27×2.0螺纹,SAE 10接头,1/2 NPT螺纹,3/4 NPT螺纹 |
|---|---|
| 联数 | 1联,2联,3联,4联,5联,6联,7联 |
| 环境温度范围 | -40°C to +80°C (-40°F to +176°F) |
| 工作粘度范围 | 15 - 75 mm²/s (15 cSt to 75 cSt) |
| 最大压力 | 315 bar (4600 psi) |
| 额定流量 | 80 L/min (21.2 US gpm) |
| 结构类型 | 整体阀 |
| 进油口 | G1/2接口,G3/4接口,M27×2.0螺纹,SAE 10接头,SAE 12接头,1/2 NPT螺纹,3/4 NPT螺纹 |
**产品特点与优势:**
* 手动控制,操作精准灵敏
* 整体式结构,提高耐用性,减少泄漏
* 高流量 (80 升/分钟),确保系统高效运行
* 高压能力 (250 巴),适用于严苛应用
* 宽泛的工作温度范围 (-40°C 至 +80°C),可在恶劣环境下使用
**应用领域:**
P80-G12-G34 手动单联整体式方向控制阀适用于广泛的应用,包括:
* 物料搬运设备 (叉车、伸缩臂叉车)
* 工程机械 (挖掘机、起重机)
* 农业机械 (拖拉机、收割机)
* 工业车辆 (扫地机、垃圾压实机)



