极速交货
30天极速交货



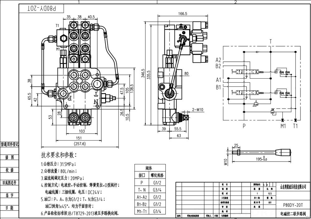
P80 电液两联整体式方向控制阀是一款坚固可靠的解决方案,适用于各种应用中的液压系统控制。它提供精确的流量控制,额定流量为 80 升/分钟,最大压力为 250 巴,适用于要求严苛的液压系统。其紧凑的整体式设计确保了耐用性和简化的安装。
| 接口尺寸 | G1/2接口,G3/4接口,M22×1.5螺纹,M27×2.0螺纹,SAE 10接头,1/2 NPT螺纹,3/4 NPT螺纹 |
|---|---|
| 联数 | 1联,2联,3联,4联,5联,6联,7联 |
| 环境温度范围 | -40°C to +80°C (-40°F to +176°F) |
| 工作粘度范围 | 15 - 75 mm²/s (15 cSt to 75 cSt) |
| 最大压力 | 315 bar (4600 psi) |
| 额定流量 | 80 L/min (21.2 US gpm) |
| 结构类型 | 整体阀 |
| 进油口 | G1/2接口,G3/4接口,M27×2.0螺纹,SAE 10接头,SAE 12接头,1/2 NPT螺纹,3/4 NPT螺纹 |
**产品特点与优势:**
* 电液控制,实现精确灵敏的流量调节
* 两联设计,独立控制两个液压回路
* 整体式结构,设计紧凑,无泄漏运行
* 高流量能力(80 升/分钟)和高压力等级(250 巴),适用于要求严苛的应用
* 宽广的工作温度范围(-40°C 至 +80°C),适用于恶劣环境
**应用领域:**
P80 电液两联整体式方向控制阀广泛应用于各个行业,包括:
* 物料搬运:叉车、伸缩臂叉装机、堆高机
* 建筑与土方工程:挖掘机、装载机、起重机
* 农业:拖拉机、收割机、打包机
* 工业车辆:扫地机、垃圾压实机、钩臂式垃圾车



