极速交货
30天极速交货



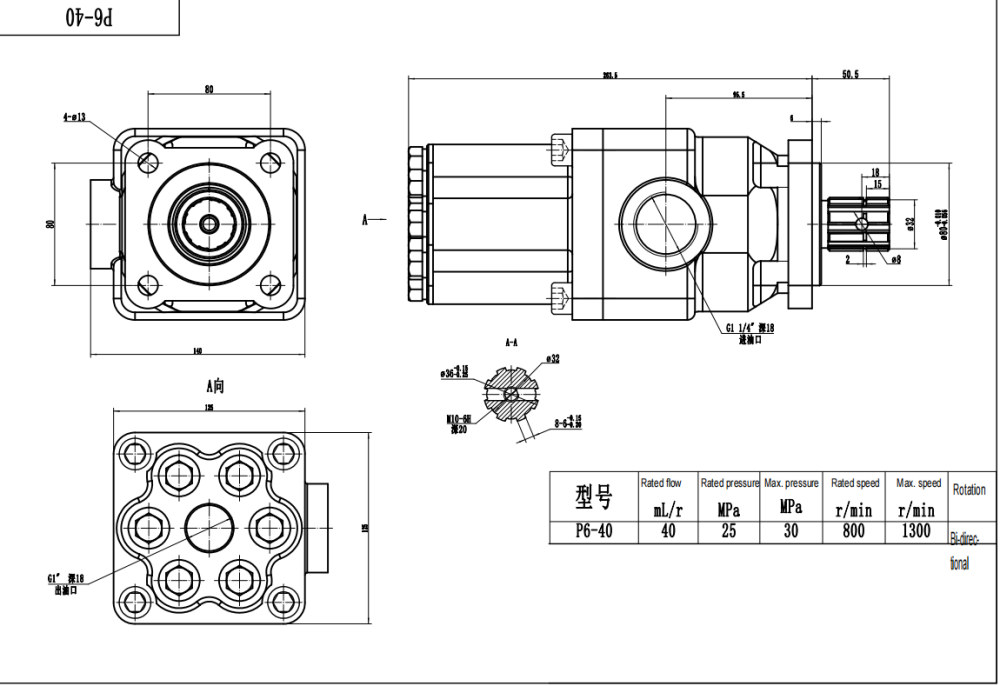
P6-40 是一款坚固耐用的 40 cc/rev 液压柱塞泵,专为各种行业中的高压应用而设计。该双向泵采用斜盘设计和铸铁结构,额定压力为 25 兆帕,最大压力为 30 兆帕,性能可靠。适用于包括小型挖掘机、滑移装载机和拖拉机在内的多种设备。
| 额定压力 | 25 MPa (3625 psi) |
|---|---|
| 最大压力 | 30 MPa (4351 psi) |
| 额定转速 | 800 r/min |
| 最大转速 | 1300 r/min |
| 旋转方向 | 双向 |
| 架构 | 外啮合齿轮泵,内啮合齿轮泵 |
| 材质 | 铸铁 |
| 法兰盘类型 | ISO-4 安装孔,UNI-3 安装孔 |
| 轴伸形式 | H:矩形花键 |
P6-40 40 cc/rev 液压柱塞泵是一款高性能、重型泵,非常适用于建筑、农业和工业车辆中的严苛应用。其坚固的铸铁结构确保了耐用性和长寿命,而斜盘设计则提供了平稳高效的运行。凭借 25 兆帕 (3625 磅/平方英寸) 的额定压力和 30 兆帕 (4351 磅/平方英寸) 的最大压力,它能够轻松处理高压液压系统。其双向旋转能力为系统设计提供了灵活性。该泵具有 ISO-4 和 UNI-3 法兰安装选项,可与各种设备兼容,并配有矩形花键轴(H型)以实现安全联接。其额定转速为 800 转/分钟,最大转速为 1300 转/分钟,为各种应用提供了充足的流量。P6-40 非常适用于为小型挖掘机、滑移装载机、紧凑型轮式装载机、轮式装载机、反铲装载机、拖拉机和前端装载机、伸缩臂叉车以及叉车中的液压系统提供动力。其可靠的性能和耐用的设计使其成为满足各种液压动力需求的经济高效解决方案。



