极速交货
30天极速交货



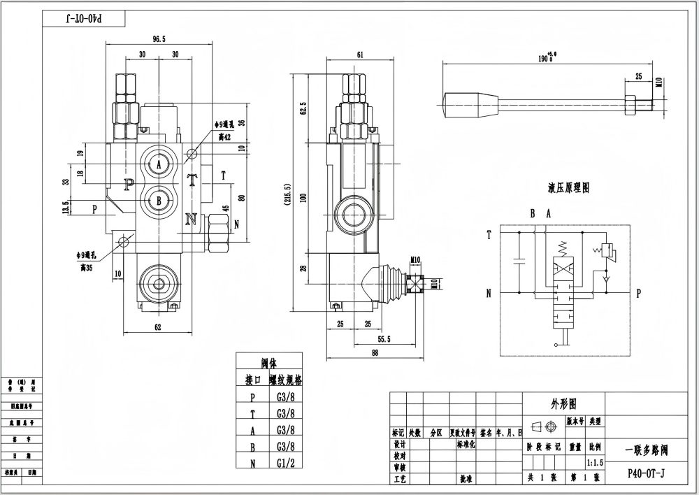
P40J 手动1联整体式方向阀是一款高性能液压阀,专为各种液压系统中的精确流量控制而设计。该阀额定流量为40升/分钟,最大压力为250巴,可提供可靠高效的运行。其紧凑的整体式设计确保了耐用性和易于安装。
| 额定流量 | 40 L/min (10.5 US gpm) |
|---|---|
| 最大压力 | 250 bar (3600 psi) |
| 进油口 | G3/8接口,G1/2接口,M18×1.5螺纹,M22×1.5螺纹,SAE 8接头,SAE 10接头,3/8 NPT螺纹,1/2 NPT螺纹 |
| 出油口 | G3/8接口,G1/2接口,M18×1.5螺纹,M22×1.5螺纹,SAE 8接头,SAE 10接头,3/8 NPT螺纹,1/2 NPT螺纹 |
| 接口尺寸 | G3/8接口,G1/2接口,M18×1.5螺纹,SAE 8接头,SAE 10接头,3/8 NPT螺纹,1/2 NPT螺纹 |
| 联数 | 1联,2联,3联,4联,5联,6联,7联 |
| 结构类型 | 整体阀 |
| 环境温度范围 | -40°C to +80°C (-40°F to +176°F) |
| 工作粘度范围 | 15 - 75 mm²/s (15 cSt to 75 cSt) |
**产品特性与优势:**
- 手动控制,实现精确流量调节
- 整体式结构,经久耐用且尺寸紧凑
- 40升/分钟的额定流量,确保系统高效运行
- 250巴的最大压力,适用于严苛的应用
- 宽广的工作粘度范围 (15 - 75 mm²/s),兼容多种液压油
- 工作温度范围从 -40°C 到 +80°C,在各种条件下均能可靠运行
**应用领域:**
- 工程机械液压系统
- 农业机械
- 工业车辆
- 物料搬运设备
- 伸缩臂叉车
- 叉车
- 全路面起重机
- 堆高车
- 高空作业平台
- 平地机
- 挖掘机
- 滑移装载机
- 紧凑型轮式装载机



