极速交货
30天极速交货



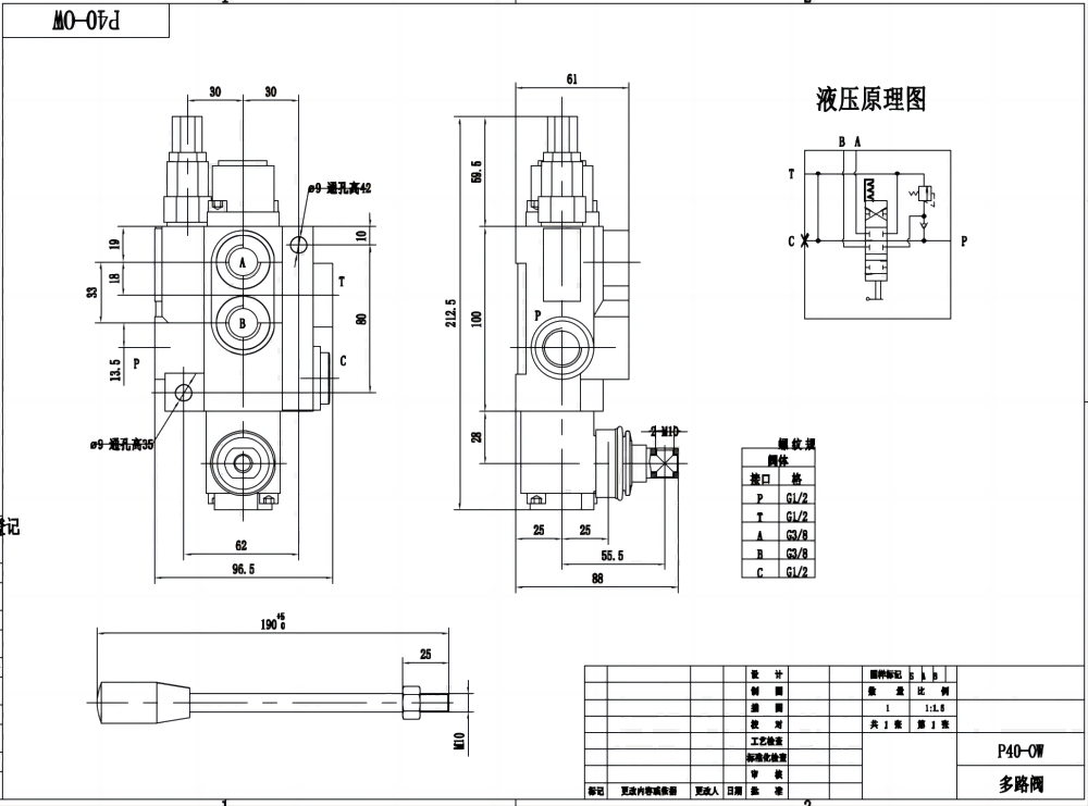
P40-OW 手动1联整体式方向阀是一款专为严苛液压应用设计的高性能阀。该阀的额定流量为40升/分钟(10.5美制加仑/分钟),最大压力为250巴(3600磅/平方英寸),适用于广泛的工业、工程机械和农业应用。
| 额定流量 | 40 L/min (10.5 US gpm) |
|---|---|
| 最大压力 | 250 bar (3600 psi) |
| 进油口 | G3/8接口,G1/2接口,M18×1.5螺纹,M22×1.5螺纹,SAE 8接头,SAE 10接头,3/8 NPT螺纹,1/2 NPT螺纹 |
| 出油口 | G3/8接口,G1/2接口,M18×1.5螺纹,M22×1.5螺纹,SAE 8接头,SAE 10接头,3/8 NPT螺纹,1/2 NPT螺纹 |
| 接口尺寸 | G3/8接口,G1/2接口,M18×1.5螺纹,SAE 8接头,SAE 10接头,3/8 NPT螺纹,1/2 NPT螺纹 |
| 联数 | 1联,2联,3联,4联,5联,6联,7联 |
| 结构类型 | 整体阀 |
| 环境温度范围 | -40°C to +80°C (-40°F to +176°F) |
| 工作粘度范围 | 15 - 75 mm²/s (15 cSt to 75 cSt) |
**产品特性与优势:**
- 手动控制,操作精确且响应灵敏
- 整体式结构,提高耐用性并减少泄漏
- 流量能力高,运行高效
- 压力承受能力强,适用于严苛应用
- 宽广的工作温度范围,适用于各种环境
- 1联设计,实现多功能控制
**应用领域:**
P40-OW 手动1联整体式方向阀常用于移动液压设备,包括:
- 物料搬运设备(叉车、起重机、伸缩臂式装载机)
- 工程机械(挖掘机、装载机、平地机)
- 农业机械(拖拉机、收割机、喷雾机)



