极速交货
30天极速交货



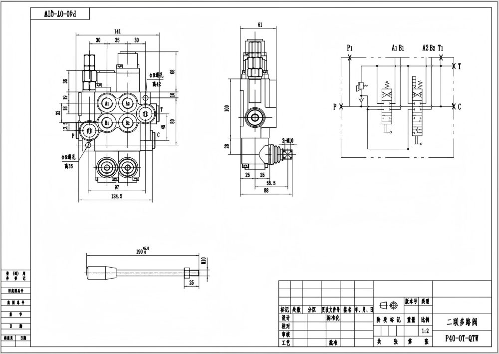
P40-G12-G38-OT-QTW 手动2联整体式方向控制阀是一款高性能液压阀,适用于各种工业应用。该阀额定流量为40升/分钟,最大压力为250巴,能够处理高要求的液压系统。其紧凑的整体式设计和手动控制方式使其易于集成到现有系统中。
| 额定流量 | 40 L/min (10.5 US gpm) |
|---|---|
| 最大压力 | 250 bar (3600 psi) |
| 进油口 | G3/8接口,G1/2接口,M18×1.5螺纹,M22×1.5螺纹,SAE 8接头,SAE 10接头,3/8 NPT螺纹,1/2 NPT螺纹 |
| 出油口 | G3/8接口,G1/2接口,M18×1.5螺纹,M22×1.5螺纹,SAE 8接头,SAE 10接头,3/8 NPT螺纹,1/2 NPT螺纹 |
| 接口尺寸 | G3/8接口,G1/2接口,M18×1.5螺纹,SAE 8接头,SAE 10接头,3/8 NPT螺纹,1/2 NPT螺纹 |
| 联数 | 1联,2联,3联,4联,5联,6联,7联 |
| 结构类型 | 整体阀 |
| 环境温度范围 | -40°C to +80°C (-40°F to +176°F) |
| 工作粘度范围 | 15 - 75 mm²/s (15 cSt to 75 cSt) |
**产品特点和优势:**
* 手动控制,操作精确
* 2联设计,用途广泛
* 整体式结构,紧凑且无泄漏
* 额定流量40升/分钟,效率高
* 最大压力250巴,经久耐用
* 工作粘度范围15 - 75 毫米²/秒,兼容各种液压油
* 环境温度范围-40°C至+80°C,适用于恶劣环境
**应用领域:**
* 物料搬运设备
* 建筑和土方机械
* 农业机械
* 工业车辆
* 伸缩臂叉车
* 叉车
* 全路面起重机
* 堆垛机
* 高空作业平台
* 平地机



