极速交货
30天极速交货



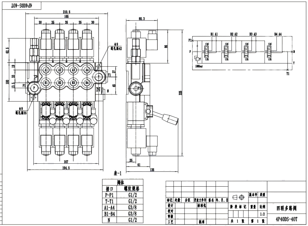
P40-DS 是一款坚固高效的4联整体式方向控制阀,是物料搬运、建筑、农业和工业车辆等多种应用的理想选择。其高流量(40 升/分钟)和高压容量(250 巴)使其适用于要求苛刻的操作。紧凑的设计确保了易于集成到各种设备中。
| 额定流量 | 40 L/min (10.5 US gpm) |
|---|---|
| 最大压力 | 250 bar (3600 psi) |
| 进油口 | G3/8接口,G1/2接口,M18×1.5螺纹,M22×1.5螺纹,SAE 8接头,SAE 10接头,3/8 NPT螺纹,1/2 NPT螺纹 |
| 出油口 | G3/8接口,G1/2接口,M18×1.5螺纹,M22×1.5螺纹,SAE 8接头,SAE 10接头,3/8 NPT螺纹,1/2 NPT螺纹 |
| 接口尺寸 | G3/8接口,G1/2接口,M18×1.5螺纹,SAE 8接头,SAE 10接头,3/8 NPT螺纹,1/2 NPT螺纹 |
| 联数 | 1联,2联,3联,4联,5联,6联,7联 |
| 结构类型 | 整体阀 |
| 环境温度范围 | -40°C to +80°C (-40°F to +176°F) |
| 工作粘度范围 | 15 - 75 mm²/s (15 cSt to 75 cSt) |
P40-DS 电磁4联整体式方向控制阀提供卓越的性能和可靠性。其整体式结构确保了无泄漏操作和增强的耐用性。凭借40升/分钟的额定流量和250巴的最大压力,它能高效处理高要求应用。宽泛的运行粘度范围(15-75 mm²/s)和宽广的温度范围(-40°C 至 +80°C)确保了在不同环境下的稳定性能。P40-DS 适用于各种设备,包括叉车、伸缩臂叉车、迷你挖掘机、滑移装载机、紧凑型轮式装载机、拖拉机、收割机、打包机和反铲挖土机,是您液压系统需求的多功能解决方案。其电磁控制方式提供精确灵敏的操作。我们提供制造、OEM、自有品牌、定制和批发选项,并正在全球积极寻求分销商、批发商、代理商和贸易合作伙伴。



