极速交货
30天极速交货



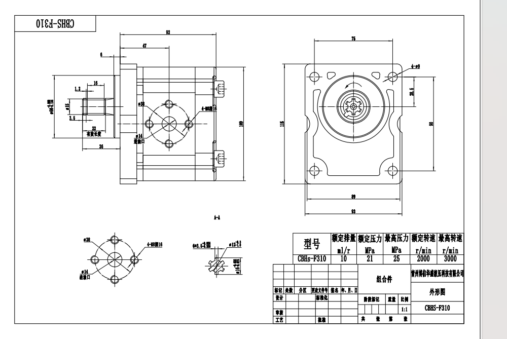
NSH10-M 是一款高性能 10 cc/转 液压齿轮泵,额定压力为 18 兆帕 (2610 磅/平方英寸),额定转速为 2000 转/分钟,非常适用于物料搬运、建筑、农业和工业车辆等广泛应用。其坚固的铝制结构和 B 方型法兰确保了耐用性和易于集成。
| 轴伸形式 | X:渐开线花键 |
|---|---|
| 法兰盘类型 | B-方形法兰 |
| 材质 | 铝 |
| 架构 | 外啮合齿轮泵 |
| 旋转方向 | 左旋(逆时针旋转) |
| 最大转速 | 4200 r/min |
| 额定转速 | 2000 r/min |
| 额定压力 | 18 MPa (2610 psi) |
NSH10-M 液压齿轮泵为各种应用提供卓越的性能和可靠性。其排量为 10 cc/转,额定压力为 18 兆帕 (2610 磅/平方英寸),可为多种机械提供高效的液压动力。该泵坚固的铝制结构确保了轻巧耐用的性能,而 B 方型法兰则保证了简单安全的安装。渐开线花键轴便于与各种驱动系统连接。其紧凑的设计使其适用于空间受限的应用。适用应用包括叉车、伸缩臂叉车、迷你挖掘机、滑移装载机、紧凑型轮式装载机、拖拉机、收割机、打包机和反铲挖土机。我们提供全球制造、OEM、自有品牌、定制和批发服务,并积极寻求分销商、批发商、代理商和贸易合作伙伴。欢迎联系我们讨论您的具体要求并洽谈合作机会。



