极速交货
30天极速交货



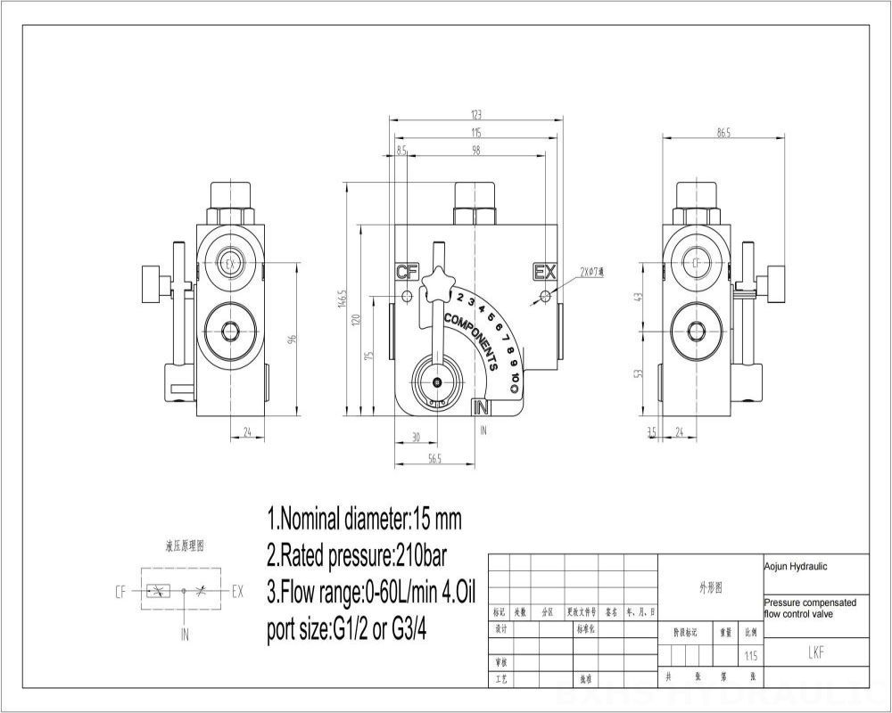
LKF60手动1联流量控制阀是一种整体阀,专为液压系统中的精确流量控制而设计。它具有手动控制方式、单联阀芯和60升/分钟 (15.8 US gpm)的额定流量。凭借210巴 (3045磅/平方英寸)的最大压力和15 - 75毫米²/秒 (15厘沲至75厘沲)的工作粘度范围,该阀适用于需要精确流量调节的各种应用。
| 额定流量 | 60 L/min (15.8 US gpm) |
|---|---|
| 最大压力 | 210 bar (3045 psi) |
| 进油口 | G1/2接口 |
| 出油口 | G1/2接口 |
| 接口尺寸 | G1/2接口 |
| 联数 | 1联 |
| 结构类型 | 整体阀 |
**产品亮点:**
- 手动控制,实现精确流量调节
- 整体式结构,性能紧凑可靠
- 60升/分钟 (15.8 US gpm)的高流量能力
- 坚固耐用,使用寿命长
**应用领域:**
- 液压系统中的流量控制
- 压力调节
- 工业机械
- 移动设备
- 农业设备



