极速交货
30天极速交货






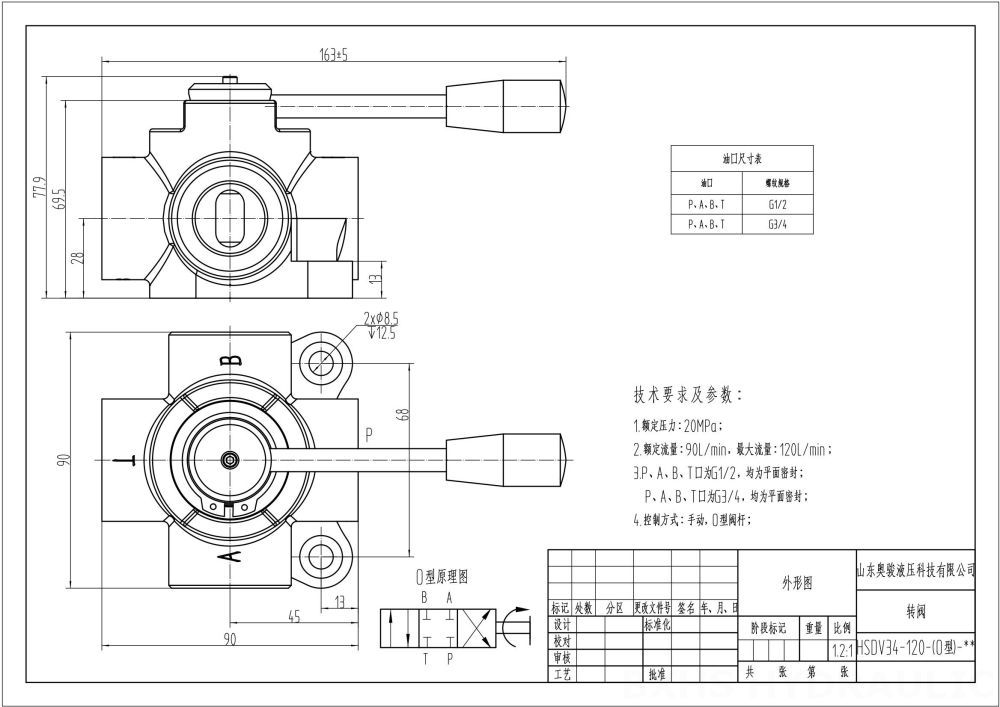
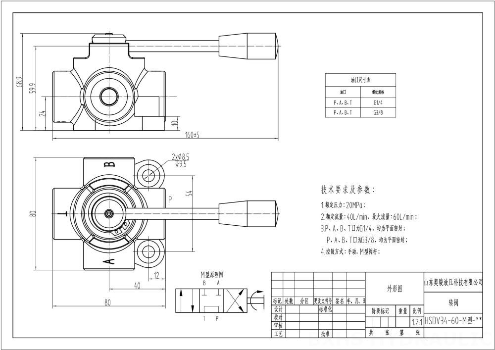
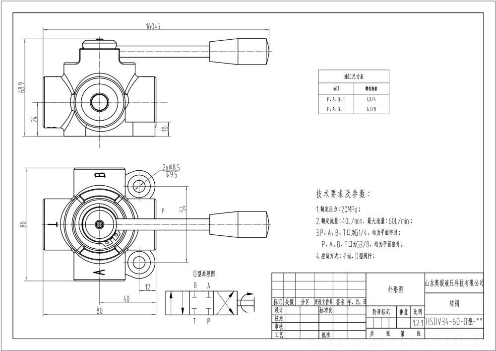
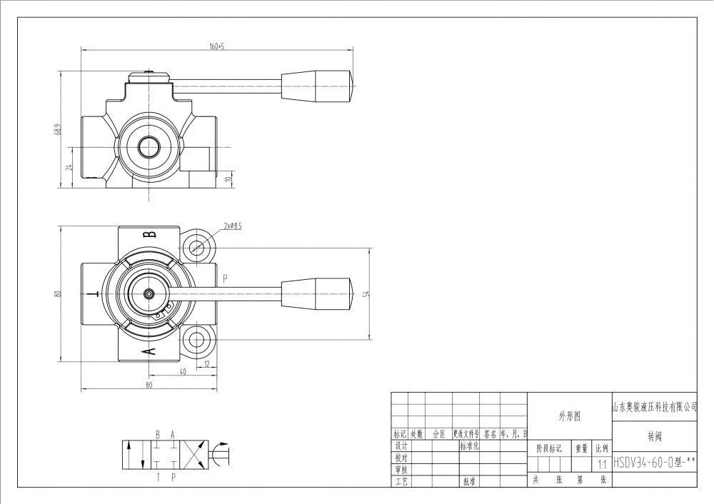
HSDV34 是一款高性能手动1联整体式分流阀,非常适用于物料搬运、建筑、工业车辆和农业等广泛应用领域。其坚固的设计和高流量(60 升/分钟)确保在严苛条件下可靠运行。
| 额定流量 | 40 L/min (10.5 US gpm),60 L/min (15.8 US gpm),120 L/min (31.7 US gpm),200 L/min (52 US gpm) |
|---|---|
| 最大压力 | 315 bar (4600 psi) |
| 进油口 | G3/8接口,G1/2接口,G3/4接口,G1接口 |
| 出油口 | G3/8接口,G3/4接口,G1接口 |
| 接口尺寸 | G3/8接口,G1/2接口,G3/4接口,G1接口 |
| 联数 | 1联 |
| 结构类型 | 整体阀 |
| 环境温度范围 | -40°C to +60°C (-40°F to +140°F) |
| 工作粘度范围 | 15 - 75 mm²/s (15 cSt to 75 cSt) |
HSDV34 手动1联分流阀是一款紧凑高效的液压流体控制解决方案。其整体式结构确保了高强度和耐用性,适用于恶劣环境。该阀额定流量为60 升/分钟,最大压力为350 巴,能够处理高压液压系统。宽广的工作粘度范围(15-75 mm²/s)和环境温度范围(-40°C 至 +60°C)确保了其在各种应用和气候下的多功能使用。
**主要特点和优势:**
* **高流量:** 60 升/分钟,确保液压系统高效运行。
* **高压能力:** 350 巴最大额定压力可应对严苛应用。
* **坚固设计:** 整体式结构确保高强度和耐用性。
* **宽广操作范围:** 在宽广的粘度和温度范围内有效运行。
* **易于安装和维护:** 简洁设计,便于快速轻松集成。
* **高性价比解决方案:** 以具有竞争力的价格提供高性能。
**应用领域:**
HSDV34 特别适用于:
* **物料搬运设备:** 叉车、伸缩臂叉车和滑移装载机。
* **工程机械:** 紧凑型轮式装载机、反铲装载机和小型挖掘机。
* **农业机械:** 拖拉机、收割机、打包机和喷雾机。
* **工业车辆:** 需要精确流量控制的各种应用。
我们为 HSDV34 提供制造、OEM、自有品牌、定制和批发服务,并正在全球积极寻求经销商、批发商、代理商和贸易合作伙伴。



