极速交货
30天极速交货



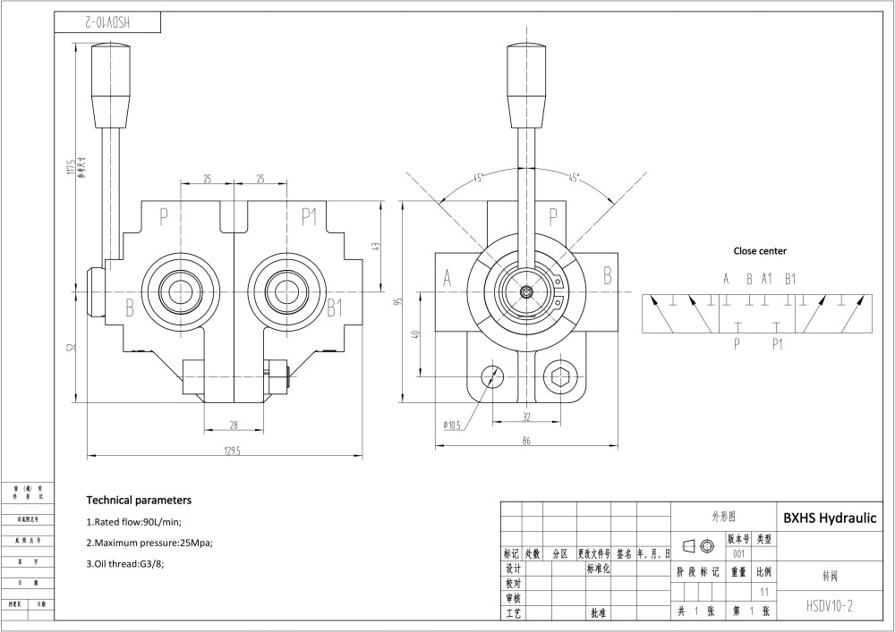
这款手动2联流量分流阀是一款高性能、耐用的液压阀,专为物料搬运、建筑、农业和工业车辆等广泛应用而设计。其坚固的结构和高流量使其成为严苛环境的理想选择。
| 环境温度范围 | -40°C to +60°C (-40°F to +140°F) |
|---|---|
| 工作粘度范围 | 15 - 75 mm²/s (15 cSt to 75 cSt) |
| 最大压力 | 315 bar (4600 psi) |
| 额定流量 | 90 L/min (23.8 US gpm) |
| 结构类型 | 整体阀 |
| 联数 | 1联 |
这款手动2联流量分流阀采用整体式阀体结构,确保卓越的强度和可靠性。它设计用于处理90 升/分钟 (23.8 美制加仑/分钟) 的流量,最大压力为315 巴 (4600 磅/平方英寸)。这使其适用于涉及液压系统的重载应用。该阀在15-75 平方毫米/秒 (15 cSt 至 75 cSt) 的粘度范围内高效运行,并可在-40°C 至 +60°C (-40°F 至 +140°F) 的环境温度下可靠工作。其两个阀芯提供流体流量控制,为各种液压回路实现多功能性。该阀的手动控制机制操作简便精确。其应用领域涵盖众多行业,包括:
* **建筑和土方工程**:该阀非常适用于挖掘机、装载机、伸缩臂叉车和其他重型设备,有助于流体控制和高效操作。
* **物料搬运**:该阀广泛应用于叉车、堆垛机、伸缩臂叉车和其他物料搬运设备,可精确控制液压系统。
* **农业**:该阀用于收割机、打包机、拖拉机和其他农业机械,有助于各种任务的流体控制和操作。
* **工业车辆**:该阀的坚固设计和高性能特点使其适用于各种工业车辆,包括工业叉车、伸缩臂叉车和专用设备。



