极速交货
30天极速交货



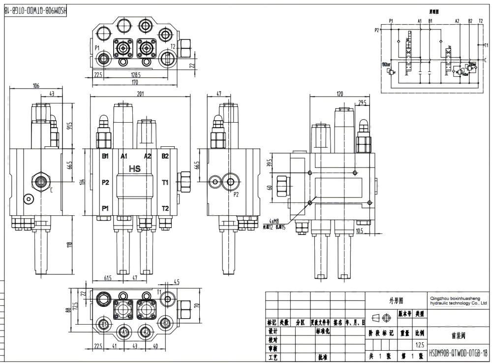
HSDM90B 是一款坚固耐用、拉索控制的整体式方向液压阀,额定流量为90升/分钟,最大压力为315巴。适用于物料搬运、建筑、农业和工业车辆等广泛应用,这款2联阀在严苛环境下提供可靠的性能和耐用性。
| 额定流量 | 90 L/min (23.8 US gpm) |
|---|---|
| 最大压力 | 315 bar (4600 psi) |
| 进油口 | G1/2接口,G3/4接口,SAE 10接头,SAE 12接头 |
| 出油口 | G3/4接口,SAE 10接头,SAE 12接头 |
| 接口尺寸 | G1/2接口,SAE 10接头 |
| 联数 | 2联 |
| 结构类型 | 整体阀 |
| 环境温度范围 | -40°C to +80°C (-40°F to +176°F) |
| 工作粘度范围 | 15 - 75 mm²/s (15 cSt to 75 cSt) |
HSDM90B 拉索2联整体式方向阀是一款高性能液压元件,专为严苛应用而设计。其紧凑的整体式设计确保了可靠性和易于安装。拉索控制提供了简单精确的操作。额定流量为90升/分钟 (23.8 美制加仑/分钟),最大压力为315巴 (4600磅/平方英寸),非常适合为各种机械设备中的多种液压功能提供动力。该阀在宽广的粘度范围 (15-75 mm²/s) 和温度范围 (-40°C 至 +80°C) 内高效运行,确保在不同操作条件下保持一致的性能。其两个阀芯可对两个液压回路进行独立控制。应用范围包括叉车、伸缩臂叉车、滑移装载机、紧凑型轮式装载机、带前端装载机的拖拉机、迷你和中型挖掘机、反铲装载机、收割机和打包机。HSDM90B 提供卓越的耐用性、效率和易于维护性,使其成为各种液压系统的经济高效解决方案。我们提供制造、OEM、自有品牌、定制和批发选项,并正在全球范围内积极寻求分销商、批发商、代理商和贸易合作伙伴。



