极速交货
30天极速交货



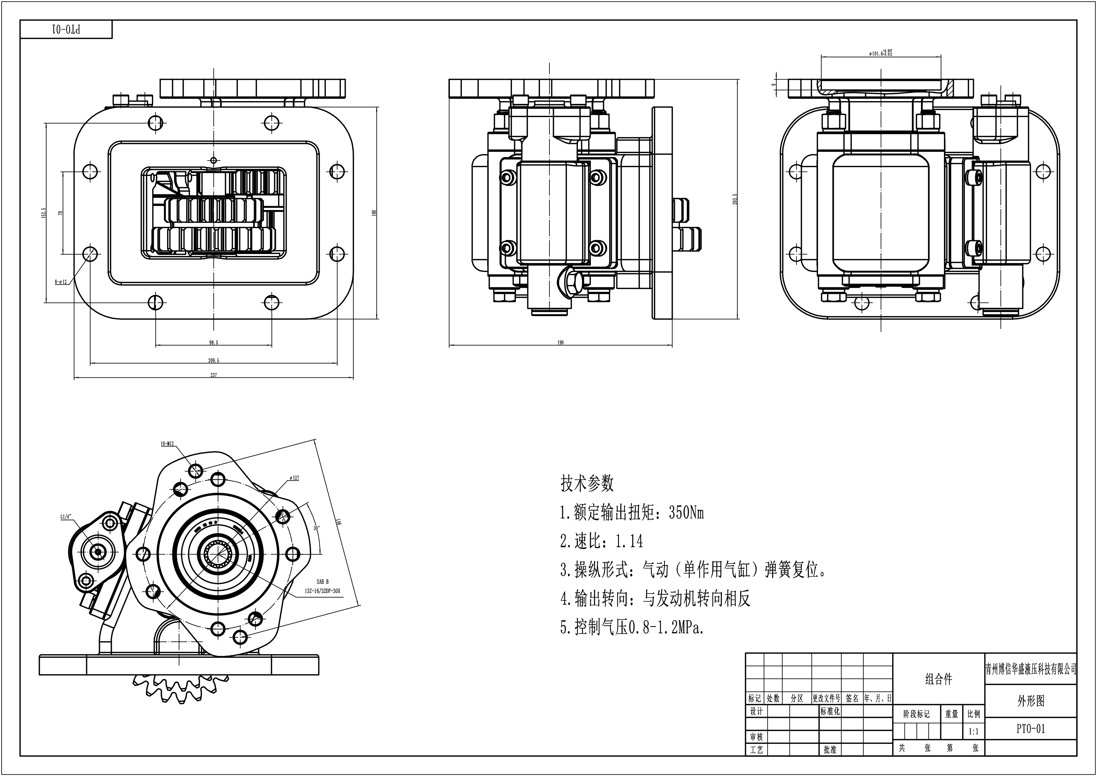
这款HSMA-08PTOF 8螺栓动力输出装置(PTO)是一款坚固耐用的液压附件,专为重型移动和工业应用设计。它采用带弹簧复位的气动控制、标准8螺栓安装和压力润滑,额定输出扭矩为350牛米,为各种要求严苛的设备提供可靠的辅助动力。
| 安装类型 | 8螺栓,四螺栓 |
|---|---|
| 控制气压 | 8-12 bar |
| 输出转向 | 与发动机转向方向相反 |
| 操纵形式 | 气动(单作用气缸)弹簧复位 |
| 速比 | 1.14 |
| 额定输出扭矩 | 350 Nm |
| 润滑选项 | 压力润滑 |
| 安装选项 | 标准安装 |
我们的HSMA-08PTOF 8螺栓动力输出装置(PTO)旨在满足全球工业和移动设备市场的严苛需求。作为一家领先制造商,我们提供包括制造、OEM/ODM、自有品牌、定制和批发在内的全面服务,满足全球多样化的客户需求。我们正积极寻求与全球分销商、批发商、代理商和贸易商建立合作关系。
**主要特点与优势:**
* **高性能:** 提供350牛米的额定输出扭矩和1.14的速比,确保辅助系统拥有充足的动力。
* **可靠的气动控制:** 配备单作用气缸和弹簧复位机构,提供平稳、精确且响应灵敏的接合/分离操作。在8-12巴的控制气压下高效运行。
* **耐用设计:** 采用压力润滑,即使在持续重载下也能延长部件寿命并减少磨损。
* **标准化安装:** 8螺栓安装选项确保了广泛的兼容性,并能与各种变速箱和车辆底盘轻松集成。
* **优化输出:** 提供与发动机相反的输出转向,这对于特定的液压泵或附件配置至关重要。
* **多功能应用:** 非常适用于驱动液压泵、绞车、压缩机以及其他需要车辆发动机动力的辅助设备。
**应用场景:**
这款取力器非常适用于**建筑和土方工程**(例如,挖掘机、装载机、混凝土泵)、**工业车辆**(例如,专用卡车、市政车辆)和**物料搬运**(例如,大型叉车、伸缩臂叉装机)等重型机械。它为以下设备的附件和集成系统运行提供必要的动力来源:
* 全路面起重机
* 高空作业平台
* 伸缩臂叉装机
* 轮式装载机
* 反铲挖土机
* 自卸车
* 混凝土臂架泵
* 旋挖钻机
* 破碎机 - 切石机
* 钩式装载机



