极速交货
30天极速交货



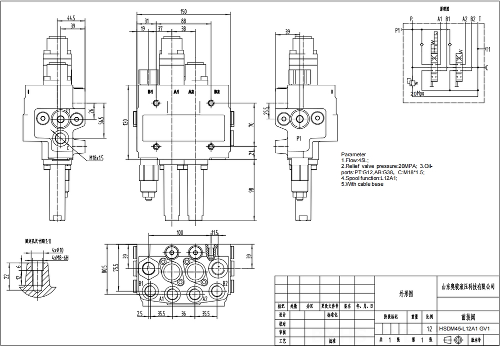
DM45 拉线2联整体式方向控制阀是一款高性能液压阀,专为工程、农业和工业车辆中的严苛应用而设计。其额定流量为45升/分钟,最大压力为315巴,即使在最具挑战性的条件下也能提供精确的控制和可靠的操作。
| 接口尺寸 | G3/8接口,G1/2接口 |
|---|---|
| 联数 | 1联,2联,3联,4联,5联,6联,7联 |
| 环境温度范围 | -40°C to +80°C (-40°F to +176°F) |
| 工作粘度范围 | 15 - 75 mm²/s (15 cSt to 75 cSt) |
| 出油口 | G1/2接口 |
| 最大压力 | 315 bar (4600 psi) |
| 额定流量 | 45 L/min (11.8 US gpm) |
| 结构类型 | 整体阀 |
**产品特点与优势:**
* 拉线控制,实现平稳灵敏的操作
* 整体式结构,紧凑耐用
* 2联设计,实现多功能流量控制
* 45 升/分钟的高流量能力
* 315 巴的最大压力,适用于严苛应用
* 15 至 75 mm²/s 的宽工作粘度范围
* 工作温度范围 -40°C 至 +80°C,适用于极端环境
**应用领域:**
* 工程机械中的移动液压系统,如挖掘机、装载机和起重机
* 工业机械,包括物料搬运设备、叉车和输送机
* 农业设备,如拖拉机、收割机和喷雾器
* 林业设备,如集材机、伐木机和原木装载机
* 垃圾处理设备,如压实机和扫地机



