极速交货
30天极速交货



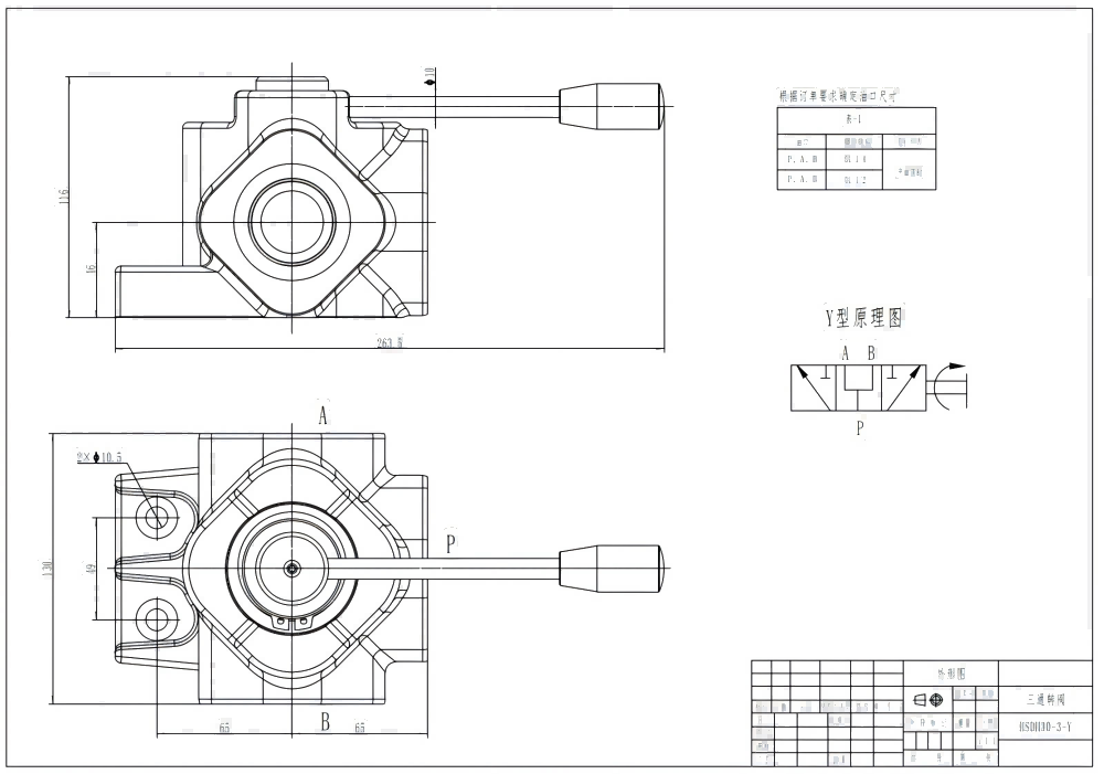
DH30手动1联流量分流阀是一款坚固可靠的整体式阀,专为建筑、农业、物料搬运和工业车辆等多种应用而设计。其额定流量为280升/分钟,最大压力为210巴,可在严苛环境中提供高性能和耐用性。
| 额定流量 | 280升/分钟(73.9美制加仑/分钟) |
|---|---|
| 最大压力 | 210 bar (3045 psi) |
| 进油口 | G1-1/4接口,G1-1/2接口 |
| 接口尺寸 | G1-1/4接口,G1-1/2接口 |
| 联数 | 1联 |
| 结构类型 | 整体阀 |
| 环境温度范围 | -40°C to +80°C (-40°F to +176°F) |
| 工作粘度范围 | 15 - 75 mm²/s (15 cSt to 75 cSt) |
DH30手动1联流量分流阀是一款高性能、重型液压阀,专为严苛应用而设计。其紧凑的整体式结构确保了坚固性和可靠性,而手动控制则提供了简单直接的操作。凭借280升/分钟的额定流量和210巴的最大压力,它适用于各种设备。该阀的宽工作粘度范围(-40°C至+80°C)和高压能力使其成为各种环境和应用的理想选择。其应用包括小型挖掘机、滑移装载机、紧凑型轮式装载机、轮式装载机、带前端装载机的拖拉机、伸缩臂叉车、叉车和反铲装载机,以及其他需要精确流量控制的设备。主要优点包括其耐用的结构、操作简单、高流量和宽工作温度范围。我们提供制造、OEM、自有品牌、定制和批发服务,并正在全球范围内积极寻找分销商、批发商、代理商和贸易商。



