极速交货
30天极速交货



DH25 是一款高性能手动1联分流阀,专为物料搬运、建筑、农业和工业车辆的广泛应用而设计。这款坚固的整体式阀门提供高流量(120 升/分钟)和高压力等级(315 巴),同时在宽泛的温度范围内保持可靠运行。
| 额定流量 | 200 L/min (52 US gpm) |
|---|---|
| 最大压力 | 250 bar (3600 psi) |
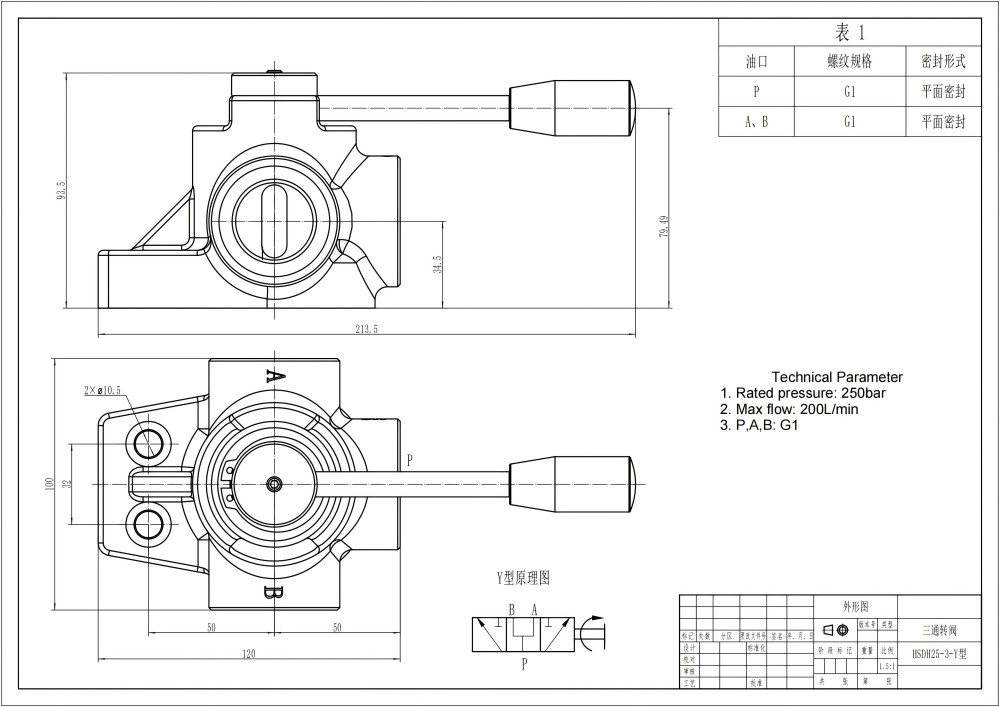
| 进油口 | G1接口 |
| 出油口 | G1接口 |
| 接口尺寸 | G1接口 |
| 联数 | 1联 |
| 结构类型 | 整体阀 |
| 环境温度范围 | -20°C to +80°C (-4°F to +176°F) |
| 工作粘度范围 | 12 - 400 mm²/s (12 cSt to 400 cSt) |
DH25手动1联分流阀是一款紧凑耐用的液压阀,非常适合控制各种机械中的液压流体流量。其坚固的整体式结构确保了即使在恶劣环境下也能提供可靠的性能和长久的使用寿命。手动控制提供简单直接的操作,而高流量(120 升/分钟)和高压力等级(315 巴)使其适用于重型应用。该阀设计用于在宽广的粘度范围(12-400 厘斯)内高效运行,并可承受从-40°C到+60°C的极端温度。其紧凑的设计便于集成到各种机器设计中。典型应用包括叉车、伸缩臂叉车、滑移装载机、小型轮式装载机、拖拉机、反铲装载机、迷你和中型挖掘机、扫地机和打包机。DH25阀为精确的液压流量控制提供了一种经济高效且可靠的解决方案,从而提高了机器效率和性能。



