极速交货
30天极速交货



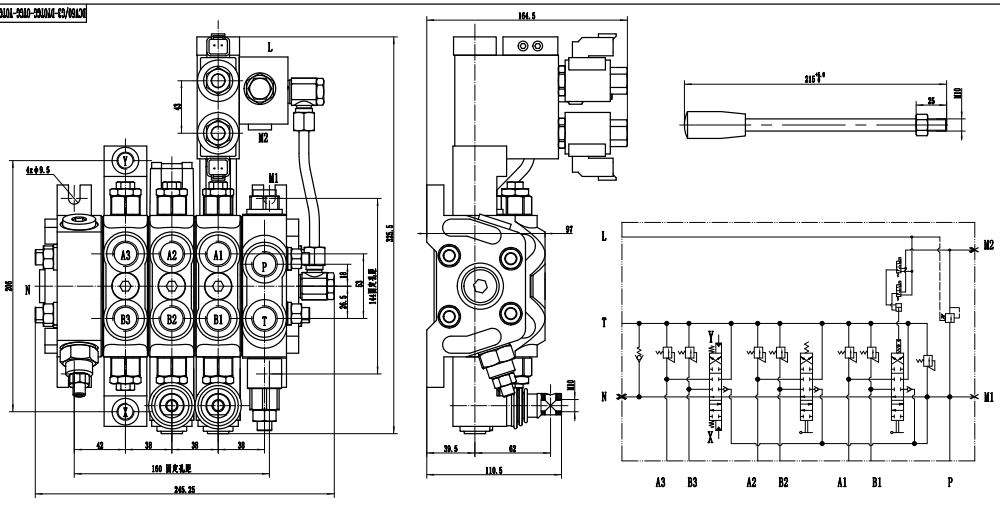
DCV60 电液 3联 片式方向阀是一款高性能阀门,设计用于广泛的应用。该阀的额定流量为 60 升/分钟,最大压力为 350 巴,是要求严苛应用的理想选择。该阀的片式设计便于定制和安装,其电液控制提供精确和灵敏的控制。
| 额定流量 | 60 L/min (15.8 US gpm) |
|---|---|
| 最大压力 | 350 bar (5100 psi) |
| 进油口 | G1/2接口,G3/4接口,M22×1.5螺纹,M27×2.0螺纹,SAE 10接头,SAE 12接头,1/2 NPT螺纹,3/4 NPT螺纹 |
| 出油口 | G1/2接口,G3/4接口,M22×1.5螺纹,M27×2.0螺纹,SAE 10接头,SAE 12接头,1/2 NPT螺纹,3/4 NPT螺纹 |
| 接口尺寸 | G1/2接口,G3/4接口,M22×1.5螺纹,M27×2.0螺纹,SAE 10接头,SAE 12接头,1/2 NPT螺纹,3/4 NPT螺纹 |
| 联数 | 1联,2联,3联,4联,5联,6联,7联,8联,9联,10联,11联,12联 |
| 结构类型 | 分片阀 |
| 环境温度范围 | -40°C to +80°C (-40°F to +176°F) |
| 工作粘度范围 | 15 - 75 mm²/s (15 cSt to 75 cSt) |
额定流量 60 升/分钟 (15.8 美制加仑/分钟)
,最大压力 350 巴 (5100 磅/平方英寸)
, 工作粘度范围 15 - 75 毫米²/秒 (15 厘沲 至 75 厘沲)
, 环境温度范围 -40°C 至 +80°C (-40°F 至 +176°F)
, 片式设计,便于定制和安装
, 电液控制,实现精确和灵敏的控制
.
应用:DCV60 电液 3联 片式方向阀非常适合用于广泛的应用,包括: 物料搬运
, 建筑和土方工程
, 农业
, 工业车辆。如需了解更多信息或讨论您的具体液压阀需求,请联系我们的销售团队。我们将竭诚协助您的项目,并提供满足您需求的定制解决方案。



