极速交货
30天极速交货



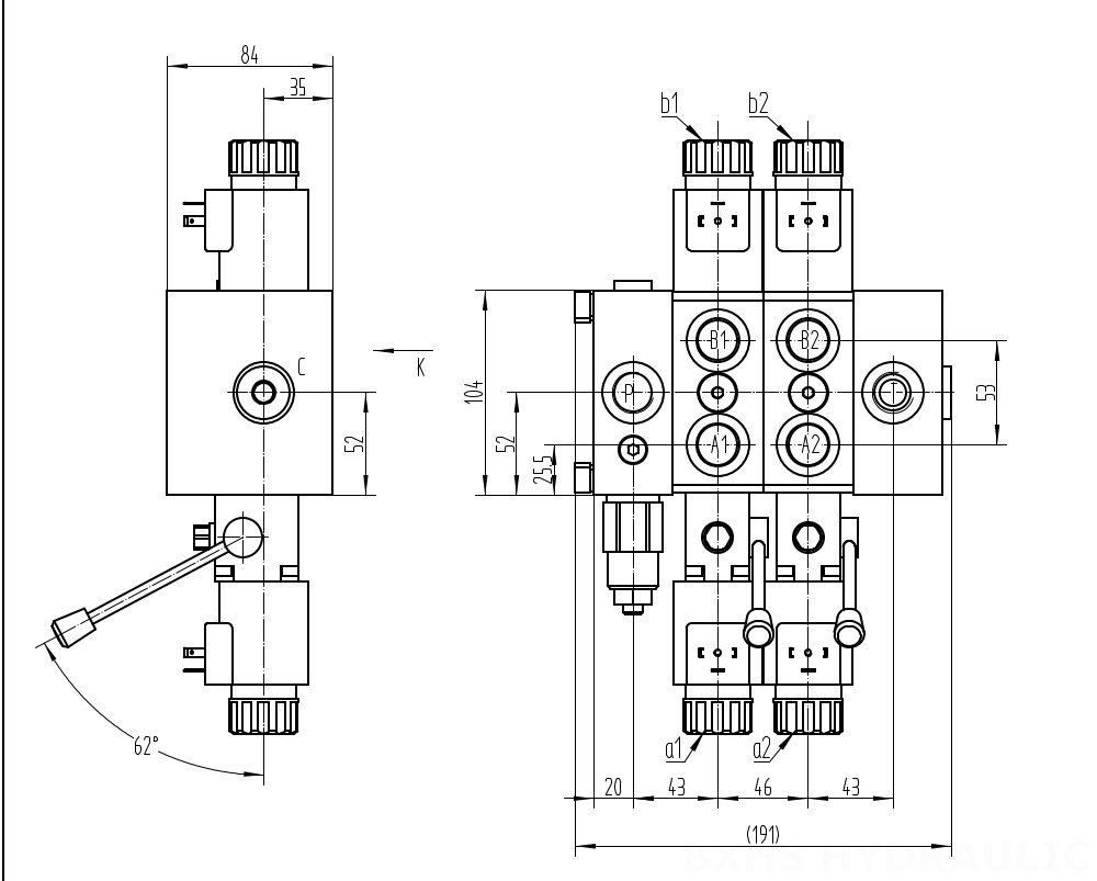
DCV58 电磁2联片式方向控制阀是一款高性能液压阀,专为各种工业和移动应用设计。它提供精确的流量控制、可靠的性能以及适用于各种液压系统的多功能性。
| 额定流量 | 60 L/min (15.8 US gpm) |
|---|---|
| 最大压力 | 350 bar (5100 psi) |
| 进油口 | G1/2接口,M22×1.5螺纹,SAE 10接头,1/2 NPT螺纹 |
| 出油口 | G1/2接口,M22×1.5螺纹,SAE 10接头,1/2 NPT螺纹 |
| 接口尺寸 | G1/2接口,M22×1.5螺纹,SAE 10接头,1/2 NPT螺纹 |
| 联数 | 1联,2联,3联,4联,5联,6联,7联,8联,9联,10联,11联,12联 |
| 结构类型 | 分片阀 |
| 环境温度范围 | -40°C to +80°C (-40°F to +176°F) |
| 工作粘度范围 | 15 - 75 mm²/s (15 cSt to 75 cSt) |
产品特点:电磁控制,实现可靠和精确操作;片式设计便于集成到液压系统;额定流量60升/分钟(15.8美制加仑/分钟),实现高效流体传输;最大压力350巴(5100磅/平方英寸),适用于高压应用;工作粘度范围15 - 75毫米²/秒(15厘斯到75厘斯),兼容各种液压油;环境温度范围-40°C至+80°C(-40°F至+176°F),可在严苛环境下运行。
应用领域:控制液压缸和执行器;液压系统中的流量和压力调节;物料搬运设备;工程机械;农业和林业设备;工业车辆;移动液压。
DCV58 电磁2联片式方向控制阀是液压系统控制的可靠高效解决方案,为广泛应用提供精确的流体流量管理。
请随时联系我们,我们也可以为您提供OEM/ODM订单服务。



