极速交货
30天极速交货



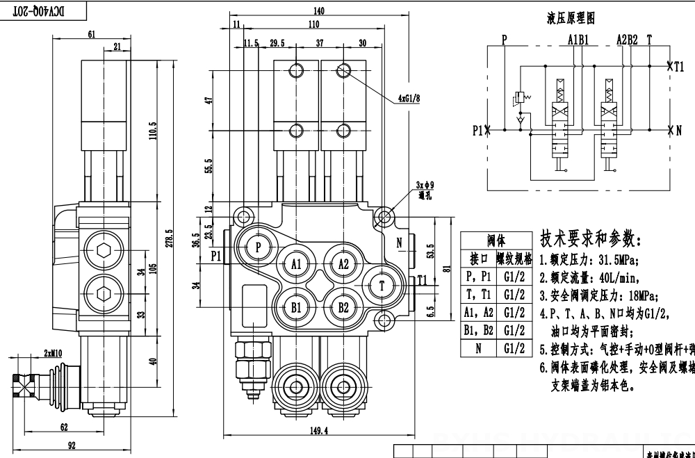
DCV40 气动双联整体式方向阀是一款高性能液压元件,专为各行业要求严苛的应用而设计。该阀额定流量为 40 升/分钟,最大压力为 350 巴,可为液压系统提供精确可靠的流体流量控制。其紧凑的整体式设计提供耐用性和空间优化,使其成为移动和固定设备的理想选择。
| 额定流量 | 40 L/min (10.5 US gpm) |
|---|---|
| 最大压力 | 350 bar (5100 psi) |
| 进油口 | G3/8接口,G1/2接口,SAE 8接头,SAE 14接头,3/8 NPT螺纹,1/2 NPT螺纹 |
| 出油口 | G1/2接口,M18×1.5螺纹,M22×1.5螺纹,SAE 8接头,SAE 14接头,1/2 NPT螺纹 |
| 接口尺寸 | G1/2接口,M18×1.5螺纹,M22×1.5螺纹,SAE 8接头,SAE 14接头,3/8 NPT螺纹,1/2 NPT螺纹 |
| 联数 | 1联,2联,3联,4联,5联,6联,7联 |
| 结构类型 | 整体阀 |
| 环境温度范围 | -40°C to +80°C (-40°F to +176°F) |
| 工作粘度范围 | 15 - 75 mm²/s (15 cSt to 75 cSt) |
产品特点和优势:气动控制,用于远程操作
,双联设计,独立控制两个流体路径
,整体结构,设计紧凑坚固
,40 升/分钟的高流量,实现高效流体处理,350 巴的最大额定压力,适用于严苛应用
,宽广的运行粘度范围(15 - 75 毫米²/秒),兼容多种流体
,-40°C 至 +80°C 的工作温度范围,适用于各种环境
。
应用:DCV40 气动双联整体式方向阀广泛应用于各行各业,包括:物料搬运:叉车、伸缩臂叉车、堆垛机、高空作业平台
;建筑和土方工程:挖掘机、平地机、紧凑型轮式装载机
。农业:拖拉机、收割机、打包机,工业车辆:扫地车、垃圾压实机、翻斗装载机。



