极速交货
30天极速交货



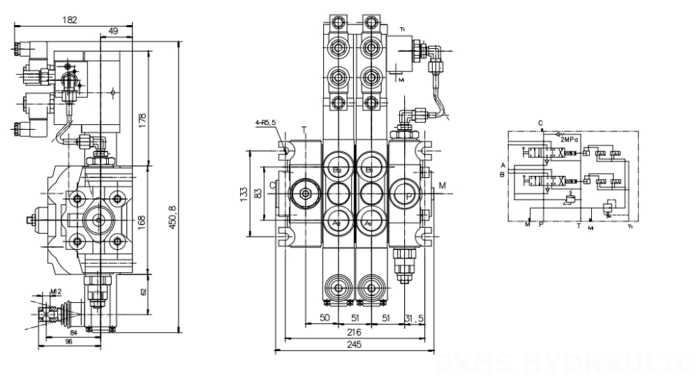
DCV200是一款2联、电液控制的片式方向阀,专为广泛的移动和工业应用而设计。它具有紧凑的设计、高压等级(350巴)和宽广的运行粘度范围(15 - 75 mm²/s)。DCV200适用于需要精确控制流体流动方向和压力的应用。
| 额定流量 | 200 L/min (52 US gpm) |
|---|---|
| 最大压力 | 350 bar (5100 psi) |
| 进油口 | G3/4接口,G1接口,M33×2.0螺纹,SAE 16接头,3/4 NPT螺纹,1 NPT螺纹 |
| 出油口 | G1接口,M33×2.0螺纹,SAE 16接头,1 NPT螺纹 |
| 接口尺寸 | G3/4接口,G1接口,M33×2.0螺纹,SAE 16接头,3/4 NPT螺纹,1 NPT螺纹 |
| 联数 | 1联,2联,3联,4联,5联,6联,7联,8联,9联,10联,11联,12联 |
| 结构类型 | 分片阀 |
| 环境温度范围 | -40°C to +80°C (-40°F to +176°F) |
| 工作粘度范围 | 15 - 75 mm²/s (15 cSt to 75 cSt) |
**主要特点和优势:**
* 紧凑轻巧的设计
* 高压等级(350巴)
* 宽广的运行粘度范围(15 - 75 mm²/s)
* 低泄漏和高效率
* 易于安装和维护
**应用领域:**
DCV200适用于广泛的应用领域,包括:
* 移动液压
* 工业自动化
* 物料搬运
* 建筑和土方工程
* 农业
* 林业
* 采矿
* 石油和天然气



