极速交货
30天极速交货



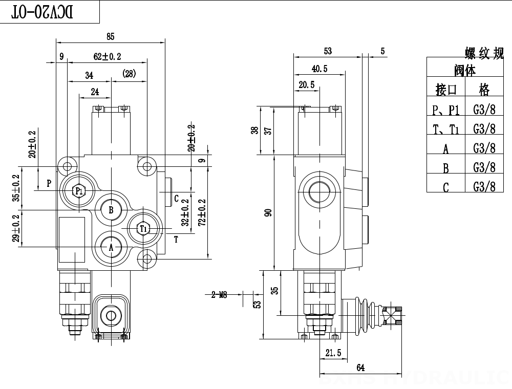
DCV20手动1联整体式方向控制阀是一款高性能液压阀,专为广泛的工业应用而设计。该阀具有20升/分钟的额定流量和350巴的最大压力,为各种液压系统提供精确可靠的流量控制。其紧凑的整体式设计确保了耐用性和空间效率,使其适用于空间受限的应用。
| 额定流量 | 20 L/min (5.2 US gpm) |
|---|---|
| 最大压力 | 350 bar (5100 psi) |
| 进油口 | G3/8接口,M18×1.5螺纹,SAE 8接头,3/8 NPT螺纹 |
| 出油口 | G3/8接口,M18×1.5螺纹,SAE 8接头,3/8 NPT螺纹 |
| 接口尺寸 | G3/8接口,M18×1.5螺纹,SAE 8接头,3/8 NPT螺纹 |
| 联数 | 1联,2联,3联,4联,5联,6联 |
| 结构类型 | 整体阀 |
| 环境温度范围 | -40°C to +80°C (-40°F to +176°F) |
| 工作粘度范围 | 15 - 75 mm²/s (15 cSt to 75 cSt) |
手动控制,实现精确流量调节
, 整体式结构,设计紧凑,经久耐用
, 20升/分钟(5.2美制加仑/分钟)的高流量能力
, 最大压力350巴(5100磅/平方英寸)
, 宽泛的工作粘度范围:15 - 75 毫米²/秒(15 cSt 至 75 cSt)
, 适用于环境温度范围:-40°C 至 +80°C (-40°F 至 +176°F) 。
应用:这款多功能液压阀非常适合各种工业应用,包括: 物料搬运设备
, 建筑和土方机械
, 农业机械,工业车辆
, 以及更多应用。
定制和OEM服务:我们提供定制和OEM服务,以根据您的特定要求定制我们的阀门。我们经验丰富的工程师可以与您紧密合作,设计和制造符合您确切规格和性能需求的阀门。
质量保证:我们所有产品都经过严格的测试和质量控制程序,以确保最高的性能和可靠性标准。
我们致力于为客户提供卓越的产品和服务。 如需了解更多信息或讨论您的具体液压阀要求,请联系我们的销售团队。我们随时为您提供项目协助,并提供满足您需求的定制解决方案。



