极速交货
30天极速交货



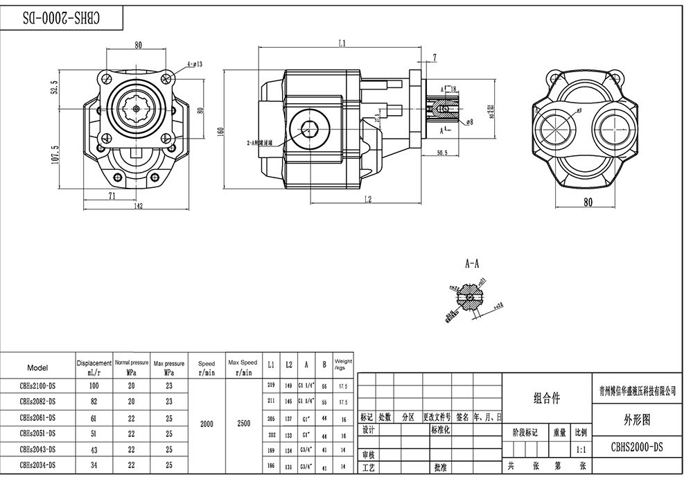
CBHST1-ISO-90是一款高性能、90 cc/rev的液压齿轮泵,专为各行业多种应用而设计。这款泵采用耐用的铸铁结构和双向斜盘设计,在高压下提供可靠的性能,使其成为物料搬运、建筑、农业和工业车辆应用的理想选择。
| 额定压力 | 23 MPa (3335 psi) |
|---|---|
| 最大压力 | 25 MPa (3625 psi) |
| 额定转速 | 2000 r/min |
| 最大转速 | 2500 r/min |
| 旋转方向 | 双向 |
| 架构 | 斜盘 |
| 材质 | 铸铁 |
| 法兰盘类型 | ISO-4 安装孔 |
| 轴伸形式 | H:矩形花键 |
CBHST1-ISO-90液压齿轮泵是一款坚固高效的解决方案,适用于严苛的应用。其主要特点包括:
* **高压能力:** 额定压力为23 MPa (3335 psi),最大压力为25 MPa (3625 psi),确保在高压系统中可靠运行。
* **耐用结构:** 采用铸铁制造,即使在恶劣的操作条件下,也能提供卓越的耐用性和长寿命。
* **多功能设计:** 双向斜盘设计允许在各种应用中灵活操作,提供顺时针和逆时针旋转。
* **标准安装:** ISO-4安装法兰确保易于集成到现有系统,并与各种设备兼容。
* **精密轴设计:** 矩形花键轴类型提供牢固的联轴器和精确的动力传输。
* **广泛应用:** 适用于各种机械设备,包括叉车、伸缩臂叉装机、小型挖掘机、滑移装载机、紧凑型和轮式装载机、拖拉机、收割机、打包机、喷雾器和反铲挖土机。
我公司提供制造、OEM、自有品牌、定制和批发服务。我们正在积极寻求分销商、批发商、代理商和贸易商,以扩大我们的全球业务范围。立即联系我们,了解我们的有竞争力的价格和灵活的合作方式。



