极速交货
30天极速交货



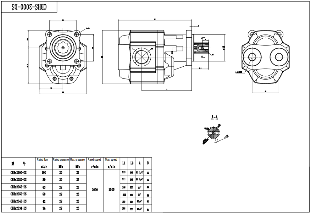
CBHST1-ISO-63 液压齿轮泵是一款专为严苛应用设计的高性能泵。该泵排量为 63 毫升/转,额定压力 23 兆帕 (3335 磅/平方英寸),额定转速 2000 转/分钟,可提供卓越的动力和效率。其斜盘设计和铸铁结构确保了耐用性和可靠性,而 ISO-4 安装孔和矩形花键轴则提供了便捷的安装和与各种系统的兼容性。该泵广泛应用于物料搬运、工程机械、农业以及工业车辆,包括伸缩臂叉车、叉车、起重机、堆垛机和挖掘机。
| 额定压力 | 23 MPa (3335 psi) |
|---|---|
| 最大压力 | 25 MPa (3625 psi) |
| 额定转速 | 2000 r/min |
| 最大转速 | 2500 r/min |
| 旋转方向 | 双向 |
| 架构 | 斜盘 |
| 材质 | 铸铁 |
| 法兰盘类型 | ISO-4 安装孔 |
| 轴伸形式 | H:矩形花键 |
**产品特性和优势:**
* 63 毫升/转的高排量,提升动力和效率
* 23 兆帕 (3335 磅/平方英寸) 的额定压力,适用于严苛应用
* 2000 转/分钟的额定转速,实现最佳性能
* 斜盘设计,确保平稳可靠运行
* 铸铁结构,经久耐用
* ISO-4 安装孔,便于安装和兼容
* 矩形花键轴,实现安全高效的动力传输
**应用领域:**
* 伸缩臂叉车
* 叉车
* 全路面起重机
* 堆垛机
* 高空作业平台
* 平地机
* 中型挖掘机
* 小型挖掘机
* 滑移装载机
* 紧凑型轮式装载机



