极速交货
30天极速交货



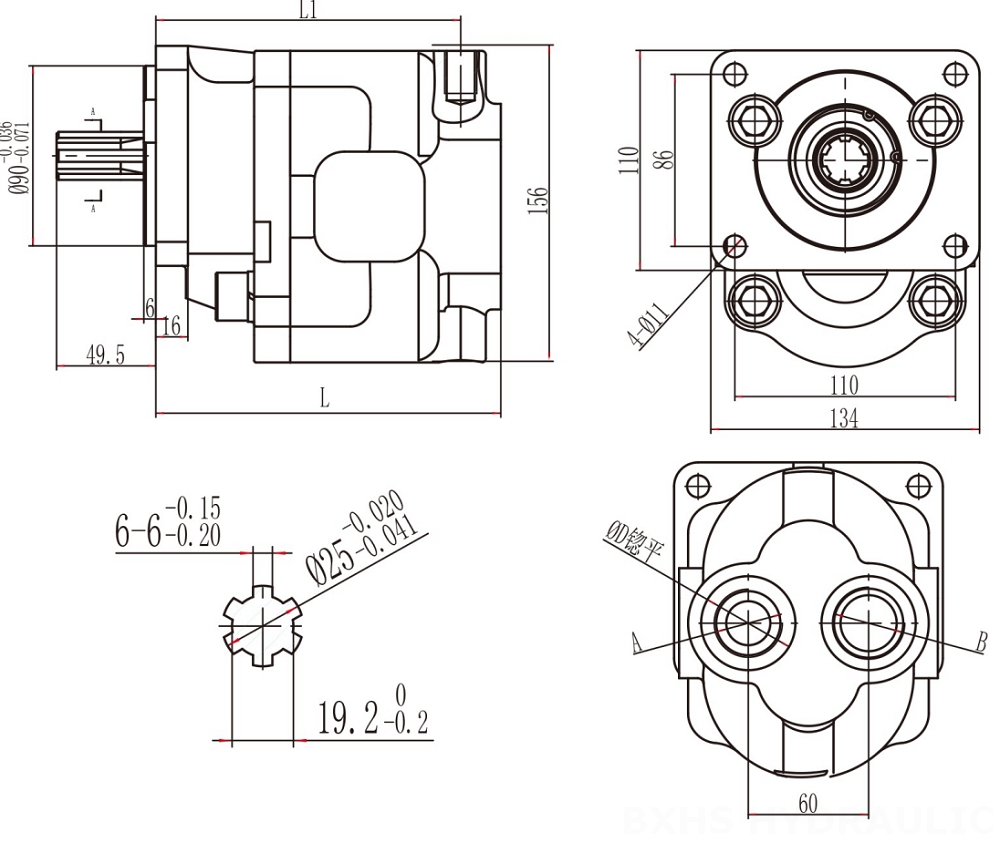
CBHS-F550 50 毫升/转液压齿轮泵是一款高质量的泵,专为各种应用而设计。它采用铸铁结构,经久耐用,并配有B方口法兰,便于安装。该泵提供多种轴类型,以满足您的特定需求。
| 额定压力 | 20 MPa (2900 psi) |
|---|---|
| 最大压力 | 25 MPa (3625 psi) |
| 额定转速 | 2000 r/min |
| 最大转速 | 2500 r/min |
| 旋转方向 | 左旋(逆时针旋转),右旋(顺时针旋转) |
| 架构 | 外啮合齿轮泵 |
| 材质 | 铸铁 |
| 法兰盘类型 | B-方形法兰 |
| 轴伸形式 | H:矩形花键,X:渐开线花键,P:普通键 |
CBHS-F550 50 毫升/转液压齿轮泵是一款高质量的泵,专为各种应用而设计。它采用铸铁结构,经久耐用,并配有B方口法兰,便于安装。该泵提供多种轴类型,以满足您的特定需求。
CBHS-F550 50 毫升/转液压齿轮泵是一款容积式泵,这意味着它无论压力如何都能提供一致的流体流量。这使得它非常适合需要稳定流体流量的应用,例如在液压系统中。
CBHS-F550 50 毫升/转液压齿轮泵还具有自吸功能,这意味着它可以用于从低于泵的储液罐中抽吸流体。这使得它非常适合储液罐不靠近泵的应用。
CBHS-F550 50 毫升/转液压齿轮泵是一款可靠高效的泵,旨在提供多年无故障服务。



