极速交货
30天极速交货



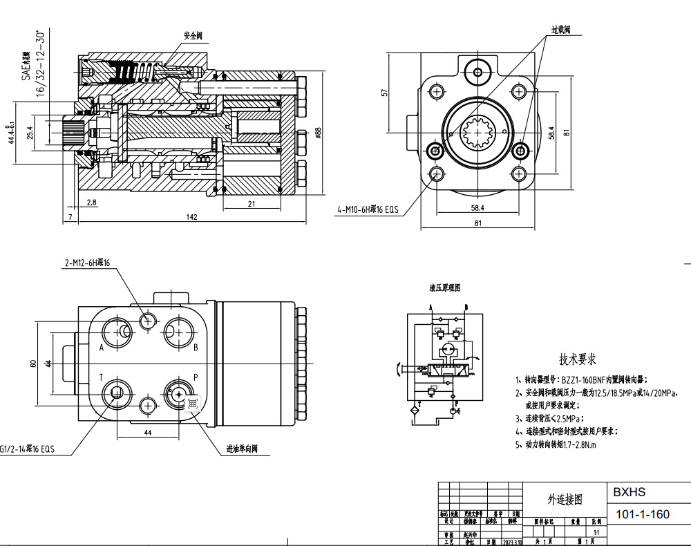
101-1-160转向单元是一款坚固可靠的液压转向部件,排量为160毫升/转,适用于建筑、农业、物料搬运和工业车辆等多种应用。它具有17.5兆帕的最大输入压力和可定制的阀块,以实现最佳性能。我们提供制造、OEM、ODM和批发服务。
| 材质 | 铸铁 |
|---|---|
| 额定流量 | 5 L/min,6 L/min,8 L/min,10 L/min,12.5 L/min,16 L/min,20 L/min,25 L/min,28 L/min,31.5 L/min,40 L/min |
| 阀块 | 可定制 |
| 最大持续背压 | 2.5 Mpa |
| 最大输入压力 | 17.5 Mpa |
101-1-160转向单元是一款高性能液压转向单元,采用耐用的铸铁制造,使用寿命长。其160毫升/转的排量提供高效的转向控制,而17.5兆帕的最大输入压力确保在严苛条件下可靠运行。2.5兆帕的最大连续背压增加了其坚固性。16升/分钟的额定流量提供响应迅速的转向。一个关键特点是可定制的阀块,允许根据具体的应用需求进行量身定制的配置。这使得该单元适用于各种机械,包括叉车、小型挖掘机、滑移装载机、紧凑型轮式装载机、拖拉机和前端装载机、伸缩臂叉车、反铲装载机、自卸车、收割机和打包机。我们提供完整的制造能力,以及OEM、ODM和批发服务,并积极寻求全球经销商、批发商、代理商和贸易合作伙伴,以扩大我们的市场范围。今天就联系我们,讨论您的具体需求并洽谈定制选项。



